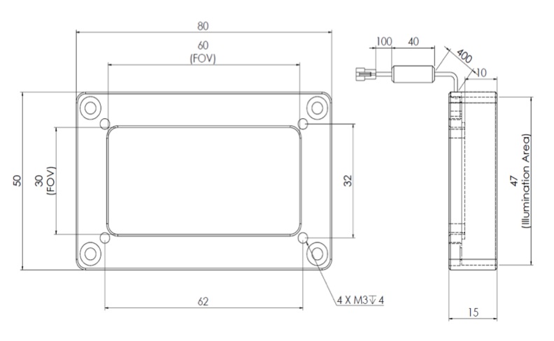
V2PQ-Si80x50
Extremely bright light output are mounted with tilt

Main > Product > Machine Vision Lighting > Diffused Low Angle Square Light V2PQ Series > V2PQ-Si80x50
V2PQ-Si80x50

Diffused Low Angle Square Light V2PQ is a low angle, diffuse illumination enables characters and defects to be uniformly illuminated with no LED glare. Soft, even and diffused lighting on shiny objects. Best for preventing the halo effect. The shadowless, low angle square type is perfect for square shaped objects.
Illumination Structure:
The object is illuminated from a low angle by uniform diffuse light through the light conduction plate.
Major Application:
V2PQ series is for inspection for ink or laser marking, surface cosmetic inspection for molded packages. This is also best suited for laser mark on aluminium 2D matrix inspection.






Ordering Information
Models with Resistors : V2PQ-Si80X50-G12/B12/W12/G/B/W
Models without Resistors : V2PQ-Si80X50-G12/B12/W12/G/B/W-O
Example : Model for Blue version with no resistor : “V2PQ-Si80x50-B-O”, Model for Green version with resistor “V2PQ-Si80x50-G”
Main > Product > Machine Vision Lighting > Diffused Low Angle Square Light V2PQ Series > V2PQ-Si80x50



