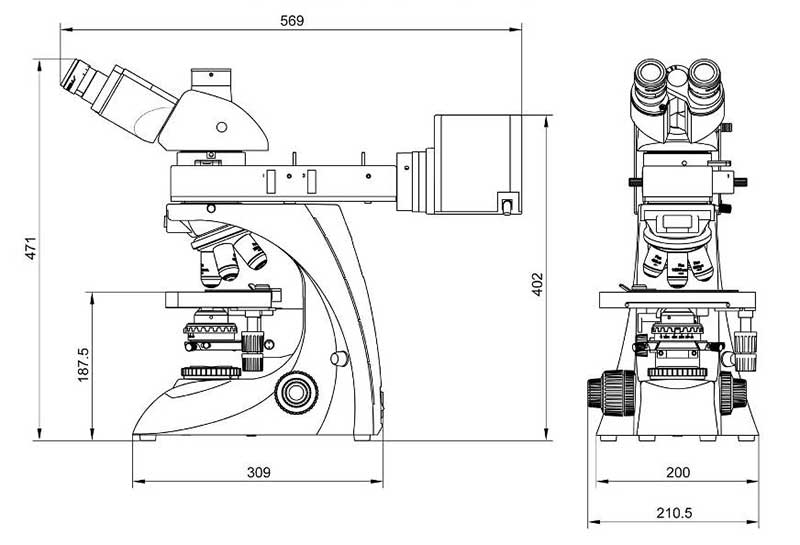
MIT300/500 Metallurgical Microscope

Main > Product > Microscope > Metallurgical Microscope > MIT300/500 Metallurgical Microscope
MIT300/500 Metallurgical Microscope


| MIT300/500 Metallurgical Microscope | ||||||
|---|---|---|---|---|---|---|
| Item | Specification | MIT300D | MIT300D | MIT500 | MIT500D | |
| Eyepiece | WF10X/22mm (adjustable) | ● | ● | ● | ● | |
| WF10X/22mm (adjustable , reticule 0.1mm) | ● | ● | ● | ● | ||
| Metallurgical LWD Infinity Plan Objective | LMPlan FL 5×/0.15 (Semi Apochromatic Objective) | W.D=21.00mm | ● | ● | ||
| LMPlan FL 10×/0.30 (Semi Apochromatic Objective) | W.D=20.00mm | ● | ● | |||
| LMPlan FL 20×/0.40 (Semi Apochromatic Objective) | W.D=15.00mm | ● | ● | |||
| LMPlan FL 50×/0.55 (Semi Apochromatic Objective) | W.D=10.00mm | ● | ● | |||
| LPL80X/0.80 | W.D=0.85mm | ○ | ○ | |||
| LMPlan FL 100×/0.85 (Dry) (Semi Apochromatic Objective) | W.D=3.00mm | ○ | ○ | |||
| Metallurgical LWD Infinity Plan Objectives for Bright & Dark Field | M PLAN 5×/0.13 BD | W.D=7.30mm | ● | ● | ||
| M PLAN 10×/0.25 BD | W.D.= 11.50mm | ● | ● | |||
| M PLAN 20×/0.40 BD | W.D.= 5.60mm | ● | ● | |||
| M PLAN 50×/0.70 BD | W.D.= 1.60mm | ● | ● | |||
| Seidentopf Trinocular Head | Inclined 30°,rotatable 360°, Interpupilary distance: 48mm~76mm Light distribution (both): 100: 0 (100% for eyepiece) 80:20 (80% for trinocular head and 20% for eyepiece) | ● | ● | ● | ● | |
| Nosepiece | Quintuple | ● | ● | |||
| Quadplex (specially for bright /dark field objectives M26x1/36") | ● | ● | ||||
| Mechanical Stage | Stage size: 200mm x 150mm Travel range: 77mm x 52mm Stage fast lowering unit: Up-Down moving range can be increased 50mm. | ● | ● | |||
| Stage size: 182mm x 140mm, Travel range: 77mm x 52mm | ● | ● | ||||
| Polarizing Unit | Polarizer /Analyzer | ● | ● | ● | ● | |
| Condenser | Abbe N.A.1.25 , with Iris Diaphragm. | ● | ● | |||
| Coaxial Coarse and Fine Focusing Unit | Coarse stroke: 25mm, Fine stroke per rotation: 0.2mm, fine division 2 μm, Tightness adjustment, upper distance limiter. | ● | ● | ● | ● | |
| Reflecting Illumination | 5WLED lamp (Input voltage:100V~240V) | ● | ● | |||
| 12V/50W Halogen lamp (Input voltage:100V~240V) | ○ | ● | ○ | ● | ||
| Transmitting Illumination | 5WLED lamp (Input voltage:100V~240V) | ● | ○ | |||
| 6V/30W Halogen lamp (Input voltage:100V~240V) | ○ | ● | ||||
| Filter | Blue | ○ | ○ | ○ | ○ | |
| Green/ Amber/ Grey | ○ | ○ | ○ | ○ | ||
| C-Mount | 1 X /0.75X/0.5X( Focus Adjustable) | ○ | ○ | ○ | ○ | |
Note: “●”In Table Is Standard outfits, “○” Is Optional Accessories.
Packing Size: 520mm×470mm×430mm Gross Weight: 16 kgs Net Weight: 12kgs
MIT300 Metallurgical Microscope

MIT500 Metallurgical Microscope

