V2FR-Si70
Ring-shaped light with overhead diffused light eliminates LED glares and shadows

Main > Product > Machine Vision Lighting >Diffused Flat Ring Light V2FR Series> V2FR-Si70
V2FR-Si70

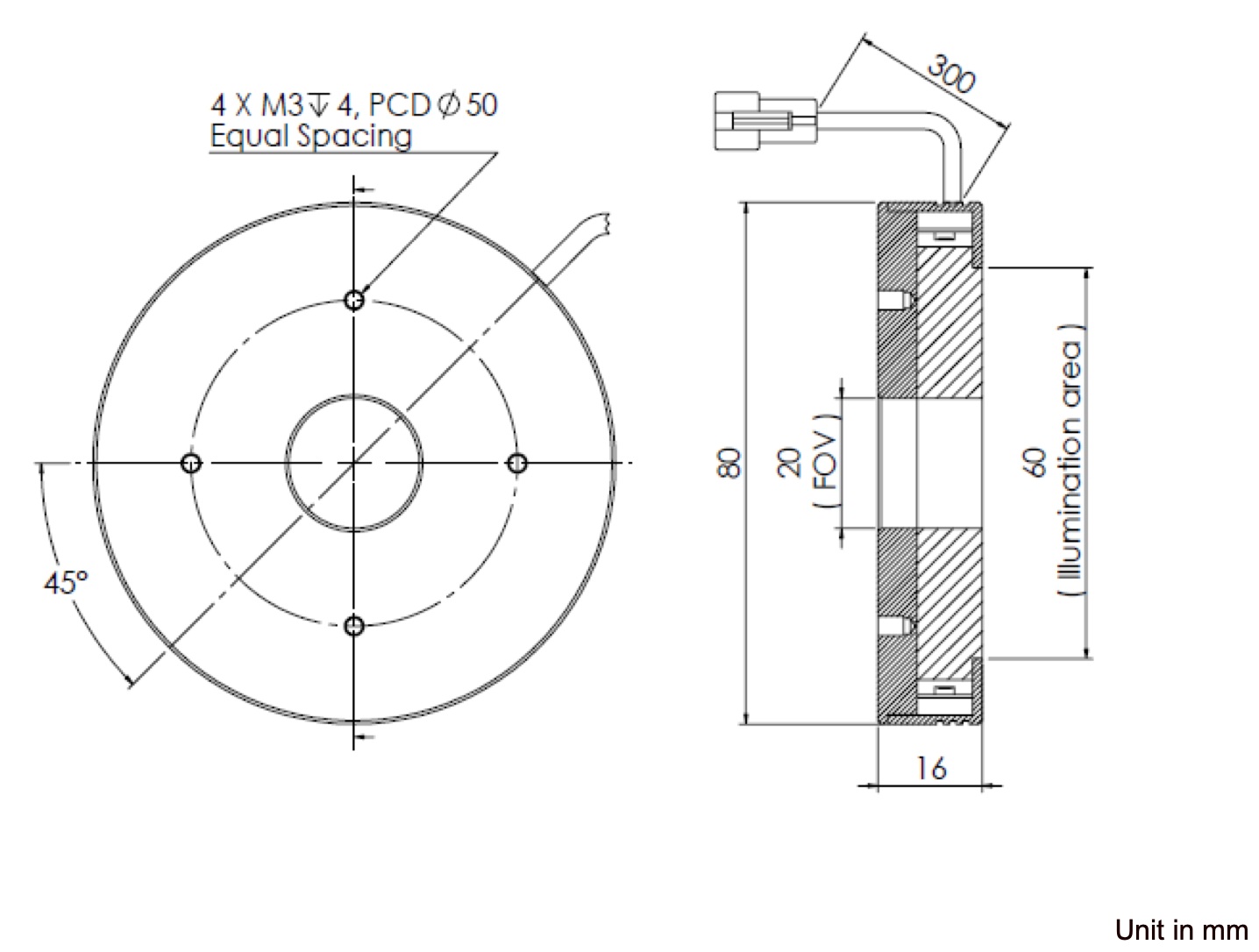
Diffused Flat Ring Light V2FR-Si70 is a Diffused Ring Light designed for machine vision application. Ring-shaped light with overhead diffused light eliminates LED glares and shadows for highly even illumination on shiny surfaces. The V2FR series is best for preventing halo effect and suitable for specular surface inspection. Rectangular shaped model (V2FQ) of the same properties is also available. It illuminates around the periphery of the light diffusion plate which scatters and reflects within the plate to create a uniform and diffused light, which illuminates from directly overhead. This light comes with diffusion filter by default.
Example Applications:
The V2KR are commonly used in coating inspection and burr inspection of the molding, soldering inspection, inspection on shiny materials, detecting grooves on the interior part of an object and circuit boards inspections.






Ordering Information
With Resistor version : V2FR-Si70-R/R24/IR/IR24/G/B/W
Without Resistor version : V2FR-Si70-R/R24/IR/IR24/G/B/W–O
Example : Model for Blue version with no resistor : “V2FR-Si70-B-O”, Model for Green version with resistor “V2FR-Si70-G”
Main > Product > Machine Vision Lighting >Diffused Flat Ring Light V2FR Series> V2FR-Si70



