V2PR-Si136
This enables characters and defects to be uniformly illuminated with no LED glare

Main > Product > Machine Vision Lighting > Diffused Low Angle Ring Light V2PR Series > V2PR-Si136
V2PR-Si136

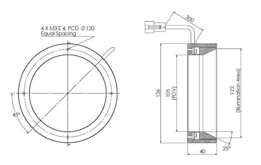
Diffused Low Angle Ring Light V2PR Series is a low angle, uniform and highly diffused illumination enables characters and defects to be uniformly illuminated with no LED glare. This series enables even and diffused lighting on round shaped shiny objects and eliminates the ‘halo effects’. The V2PR is ideal for inspection at low working distances.
Illumination Structure:
The object is illuminated from a low angle by uniform diffuse light through the light conduction plate.
Major Applications:
This is for inspection for ink or laser marking, Surface cosmetic inspection for molded packages. This is best suited for laser mark on aluminium 2D matrix inspection.
Additional Information:
This is made up of aluminium or stainless steel housing. JST connector as standard (M8 or M12 available). IP 30 as standard, higher IPs are available as requested.






Ordering Information
Models with Resistors : V2PR-Si136-R24/G/B/W
Models without Resistors : V2PR-Si136-R24/G/B/W-O
Example : Model for Blue version with no resistor : “V2PR-Si136-B-O”, Model for Green version with resistor “V2PR-Si136-G”
Main > Product > Machine Vision Lighting > Diffused Low Angle Ring Light V2PR Series > V2PR-Si136



