V2FV-Si18
Uniform light that runs perpendicular with camera axis across the entire field of view

Main > Product > Machine Vision Lighting >External Coaxial Light V2FV Series > V2FV-Si18
V2FV-Si18

The coaxial light is a uniform light that runs perpendicular with camera axis across the entire field-of-view makes on-axis illumination system. The light illuminates from the coaxial side of a lens via a partial mirror. The LEDs illuminates on the mirror oriented at 45 and creates a reflection of the object.
Major Applications:
This is suitable to apply on flat object surface with specular or mirror surface, Wafer level or dice positioning guiding, or pick and place process applications, Alignment mark on the board and Inspection for cosmetic applications, scratches on object, dented or micro slug.
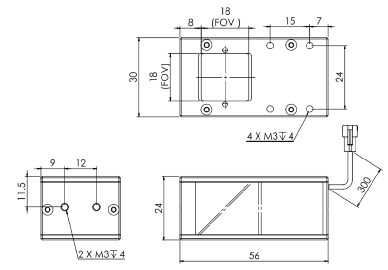
Illumination Structure:
A half mirror/ Beam Splitter prism aligns the high-intensity, even light from the LED array to the same optical axis as the lens.
V2FV-Si 18 is a super bright lighting, avoid stare at exposured lighting when operation. Useful for application where needs to be visible in long distance, recommended to use as strobe lighting to perform high brightness lighting with longer life span.






Ordering Information
Models with Resistors : V2FV-Si18-R24/G/B/W
Models without Resistors : V2FV-Si18-R24/G/B/W-O
Example : Model for Blue version with no resistor : “V2FV-Si18-B-O”, Model for Green version with resistor “V2FV-Si18-G”
Main > Product > Machine Vision Lighting >External Coaxial Light V2FV Series > V2FV-Si18



