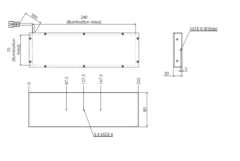
V2DL-i240x70
Bar-shaped lighting using high intensity LEDs mounted on a flat board.

Main > Product > Machine Vision Lighting > Bar Light V2DL Series > V2DL-i240x70
V2DL-i240x70

Bar Light V2DL Series is a Bar-shaped lighting using high intensity LEDs mounted on a flat board. The V2DL features high-density arrays using high-intensity LEDs to create optimum oblique lighting conditions. Reflections can be controlled by a default diffusion plate (excluding UV). Usable as high intensity surface lighting.
Illumination Structure:
LEDs are arranged at a high-density on a single flat circuit board and the object can be illuminated from any angle desired. Suitable mounting brackets (15 mm width) are available.
Major Applications:
This is for Crack/exterior inspection of molding, Trimming/ forming inspection of IC lead, Exterior inspection of connector and Character inspection of chip part.






Ordering Information
Models with Resistors : V2DL-i240x70-SR24
Models without Resistors : V2DL-i240x70-SR24-O
Main > Product > Machine Vision Lighting > Bar Light V2DL Series > V2DL-i240x70



