V2IBS-Si90-W/R24/G/B
An all-in-one lighting equipped with multi color and multi angle feature.

Main > Product > Machine Vision Lighting > Multi Angle Light V2IBS> V2IBS-Si90-W/R24/G/B
V2IBS-Si90-W/R24/G/B
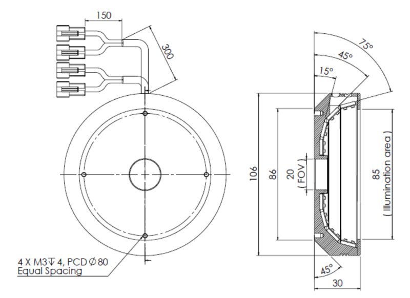
The Multi Angle Light is an all-in-one lighting equipped with multi color and multi angle feature. The V2BS consists of one illumination housing with horizontal rows of SMD LEDs arranged in exact position on a parallel angle. The number of LED rows varies with the size of the lighting.
Illumination Structure:
This series working distance of V2BS is between 0-40 mm.
Major Applications:
This series is the best solution for multiple applications or different checking criteria. Options available for seleciton in R, G, B, W, IR and UV for each angle in the lighting. All colors are controlled separately.






Ordering Information
Models with Resistors : V2IBS-Si90-W/R24/G/B
Models without Resistors : V2IBS-Si90-W/R24/G/B-O
Example : Model for Red 24 version with no resistor : “V2IBS-Si90-R24-O”, Model for White version with resistor “V2IBS-Si90-W”
Main > Product > Machine Vision Lighting > Multi Angle Light V2IBS> V2IBS-Si90-W/R24/G/B



