V2HLV-Si27N2
Extremely bright light output are mounted with tilt

Main > Product > Machine Vision Lighting > Spot Light for Lens with Coaxial Port V2HLV Series> V2HLV-Si27N2
V2HLV-Si27N2

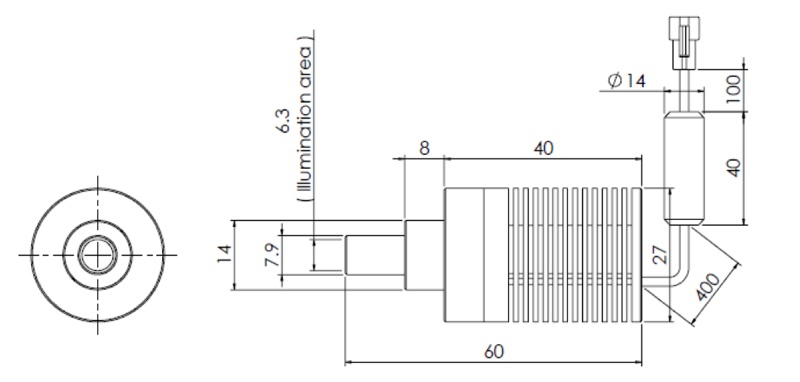
The V2HLV series is a high powered spot lights that are compatible with machine micro lenses. Collimated optics and light guides to produce maximum illumination which enables long working distance. The V2HLV is small and light weight for easy handling. Stable illumination when used with a dedicated constant current power source. UV and SWIR models are available for this series.
Illumination Structure:
Specially designed condenser lens and rod lens are combined to emit highly uniform, high luminosity condensed light.






Ordering Information
Models with Resistors : V2HLV-Si27N2-R/R24/G12/B12/W12
Models without Resistors : V2HLV-Si27N2-R/R24/G12/B12/W12-O
Example : Model for Red version with no resistor : “V2HLV-Si27N2-R-O“, Model for White 12 version with resistor “V2HLV-Si27N2-W12”
Main > Product > Machine Vision Lighting > Spot Light for Lens with Coaxial Port V2HLV Series> V2HLV-Si27N2



