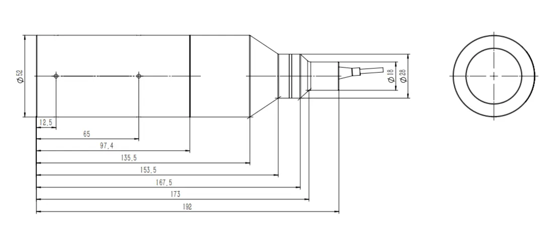
V2FL052
Small size, extensive measuring range, ultra-large measuring angle, high repeatability.

Main > Product > Chromatic Confocal Sensor > V2FL052
V2FL052

V2FL052 is a non-contact displacement sensor with accuracy up to the nanometer level. It has a stable measurement of metal/ceramic/mirror/glass and other materials. It has a large measuring angle suitable for all working morphologies (deep hole, angle, camber, etc.). This product is ideal for high-temperature and high-pressure operation environments.

| Model Name | V2FL052 |
|---|---|
| Reference distance | 51.24mm |
| Measurement range (mm) | ±8.29mm |
| Linearity error | 2.2μm |
| Static repeatability | 0.4μm |
| Measuring angle | ±15.4° |
| Spot diameter (Large) | 38μm |
| Spot diameter (Small) | 8μm |
| IP protection | IP52 (Standard Level),IP65 (Bookable) |
| Environment temperature | -40~+85℃ |
| Material | Aluminum 6061 |
| Optical fiber length | 3m(Standard); 5m/10m(Optional) |
| Weight | 710g |
| Outer diameter | 52mm |




