
Main > Product > Machine Vision Lenses >Telecentric Lens > VS-TC Series > APT08-120C
APT08-120C

While being compact in size and light in weight the VS-TC & APT series are our largest collection of telecentric lenses with WDs ranging from 40- 340mm. They produce a clear distortionless, high contrast image.
- 1/2″ – 2/3″ sensor support
- 70 models available
- Compact
- Light weight
- Telecentric design

| Model | APT08-120C | |
|---|---|---|
| Optical mag. | x0.8 ±5% | |
| 2/3" | - | |
| FOV (VxH) | 1/2" | 6.0 x 8.0mm |
| 1/3" | 4.5 x 6.0mm | |
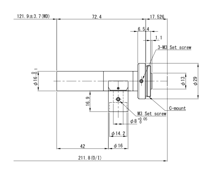
| WD | 121.9mm ± 3.7 | |
| O/I (Object & Imager distance) | 211.8mm | |
| Working F/# | 17.5 | |
| NA | 0.023 | |
| DOF at PCoC φ0.04mm | 2.2 mm | |
| TV distortion (max.) | 0.02% | |
| Wavelength | Visible | |
| Camera mount | C-mount | |
| Flange back | 17.526mm | |
| Sensor size (max.) | 1/2" | |
| Co-axial prism | Built-in | |
| Weight (approx.) | 40g | |
| Dimension | φ29 (MAX) x L=72.4mm |




