
Main > Product > Machine Vision Lenses >Telecentric Lens > VS-TC Series > APT2-110C
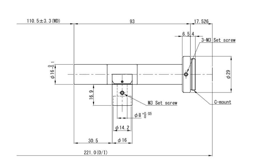
APT2-110C

While being compact in size and light in weight the VS-TC & APT series are our largest collection of telecentric lenses with WDs ranging from 40- 340mm. They produce a clear distortionless, high contrast image.
- 1/2″ – 2/3″ sensor support
- 70 models available
- Compact
- Light weight
- Telecentric design

| Model | VS-TCH4-65CO-LQL1 + Liquid Lens + SV-EXR15 | ||
|---|---|---|---|
| Focus tunable lens (Optotune) | Model | EL-16-40-TC-VIS-5D-C | |
| Focal power | -2 dpt | +3 dpt | |
| Extension Tube | SV-EXR15 | ||
| Optical mag. | × 4.0 | × 3.7 | |
| FOV (VxH) | 2/3" | 1.8 x 2.1mm | 1.9 x 2.3mm |
| 1/2" | 1.2 x 1.6 mm | 1.3 x 1.7mm | |
| 1/3" | 0.9 x 1.2mm | 1.0 x 1.3mm | |
| WD | 65.3 mm | 64.8 mm | |
| Optical Leverage | 0.10 mm/dpt | 0.10 mm/dpt | |
| O/I (Object & Imager distance) | 186.5 mm | 186.0 mm | |
| Working F/# | 17.9 | 16.6 | |
| NA | 0.112 | 0.111 | |
| DOF at PCoC φ0.04mm | 0.09 mm | 0.10 mm | |
| TV distortion (max.) | 0.00 % | 0.00 % | |
| Relative Illumination (Y=5.5) | 90% | 87% | |
| Wavelength | Visible | Visible | |
| Camera mount | C-mount | C-mount | |
| Flange back | 17.526mm | 17.526mm | |
| Sensor size (max.) | 2/3" | 2/3" | |
| Co-axial prism | Built- In | Built- In | |
| Filter Thread | M 22.5 P=0.5 | M 22.5 P=0.5 | |
| Weight (approx.) | - | - | |
| Dimension | φ30 (MAX) x L=103.7mm | φ30 (MAX) x L=103.7mm |




