
Main > Product > Machine Vision Lenses >Telecentric Lens > VS-TC Series > APT4-65
APT4-65

While being compact in size and light in weight the VS-TC & APT series are our largest collection of telecentric lenses with WDs ranging from 40- 340mm. They produce a clear distortionless, high contrast image.
- 1/2″ – 2/3″ sensor support
- 70 models available
- Compact
- Light weight
- Telecentric design

| Model | APT4-65 | |
|---|---|---|
| Optical mag. | x4.0 ±5% | |
| 2/3" | 1.8 x 2.1mm | |
| FOV (VxH) | 1/2" | 1.2 x 1.6mm |
| 1/3" | 0.9 x 1.2mm | |
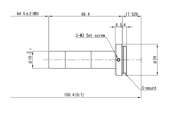
| WD | 65.4mm ± 2 | |
| O/I (Object & Imager distance) | 150.4mm | |
| Working F/# | 28.9 | |
| NA | 0.069 | |
| DOF at PCoC φ0.04mm | 0.1mm | |
| TV distortion (max.) | 0.01% | |
| Wavelength | Visible | |
| Camera mount | C-mount | |
| Flange back | 17.526mm | |
| Sensor size (max.) | 2/3" | |
| Co-axial prism | - | |
| Weight (approx.) | 35g | |
| Dimension | φ29 (MAX) x L=68.4mm |




