
Main > Product > Machine Vision Lighting > Dome Light V2DM Series > V2DM-i280
Dome Light V2DM-i280

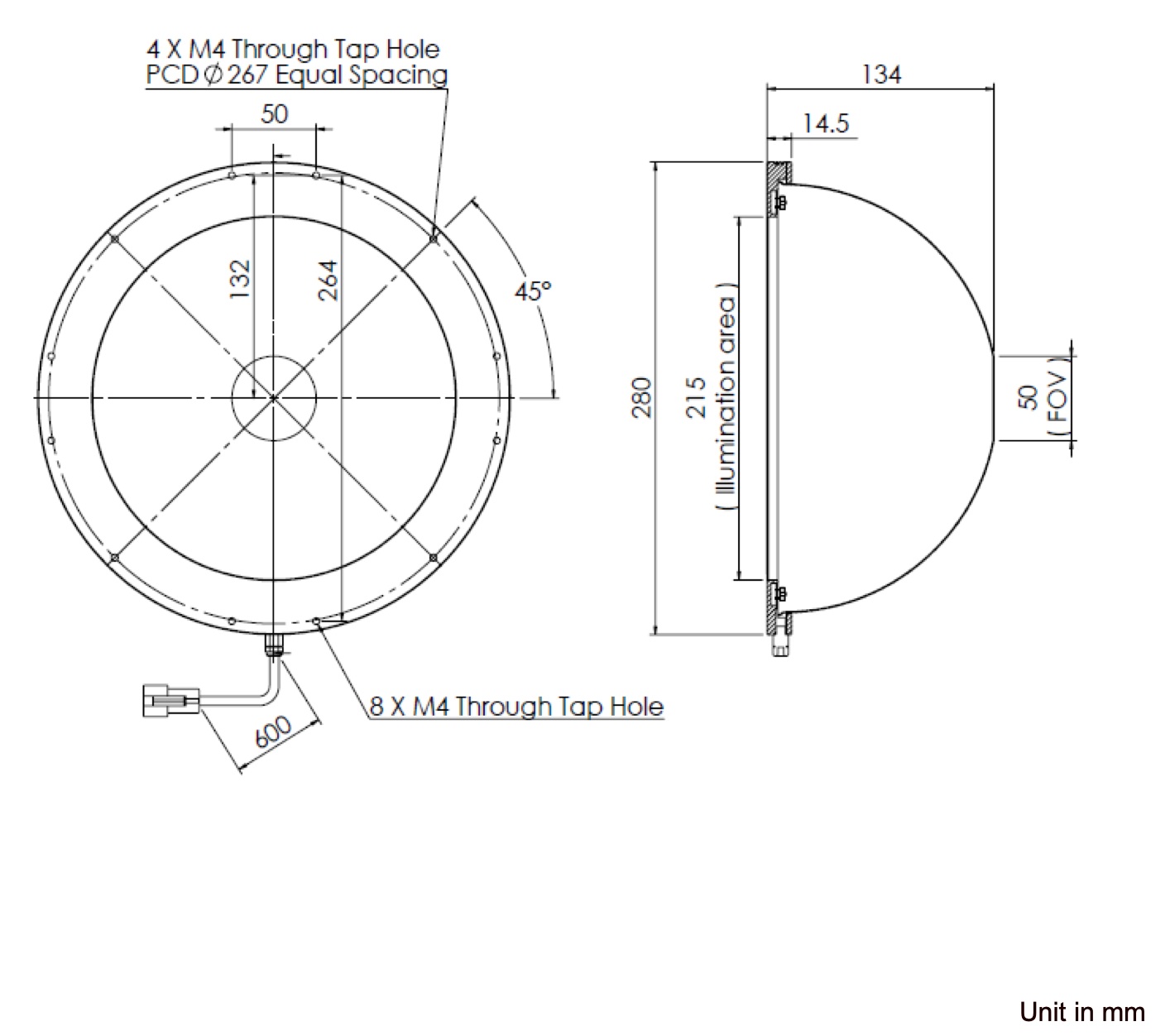
V2DM-i280 is a Dome Light designed for machine vision application to give a very bright diffused omni-directional light to create a uniformed shadow-free illumination area . It has an external Diameter of 280 mm and opening Diameter of 50 mm, an illumination area of 215 mm in diameter. It comes in White.






Ordering Information
Models with Resistors : V2DM-i280-W
Models without Resistors : V2DM-i280-W-O
Main > Product > Machine Vision Lighting > Dome Light V2DM Series > V2DM-i280



