
Main > Product > Machine Vision Lenses >Telecentric Lens > VS-TC Series > VS-TC08-65
VS-TC08-65

- Compact size and light weight
- Wide range of WD from 40mm~340mm
- Variety of magnifications 0.5x~10x : 1.5x / 3.0x / 5.0x also available
- Built-in Co-axial models

| Model | VS-TC08-65 | |
|---|---|---|
| Optical Mag. | x0.8 ±5% | |
| FOV (VxH) | 1/2" | 6.0x8.0mm |
| 1/3" | 4.5x6.0mm | |
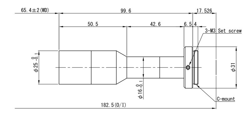
| WD | 65.4mm ±2 | |
| O/I (Object & Imager Distance) | 182.5mm | |
| Working F/# | 10 | |
| NA | 0.04 | |
| Resolution *at λ550nm | 8.4μ | |
| DOF at PCoC φ0.04mm | 1.3mm | |
| TV distortion (max.) | 0.0005 | |
| Relative illuminance(Y=4) | 1 | |
| Wavelength | Visible(400nm - 700nm) | |
| Camera Mount | C-mount | |
| Flange Back | 17.526mm | |
| Sensor size (max.) | 1/2" | |
| Co-axial prism | - | |
| Weight (approx.) | 68.0g | |
| Dimension | φ31(max) x L=99.6mm |




