
Main > Product > Machine Vision Lenses >Telecentric Lens > VS-TC Series > VS-TC1-220CO
VS-TC1-220CO

- Compact size and light weight
- Wide range of WD from 40mm~340mm
- Variety of magnifications 0.5x~10x : 1.5x / 3.0x / 5.0x also available
- Built-in Co-axial models

| Model | VS-TC1-220CO | |
|---|---|---|
| Optical mag. | x1.0 ±5% | |
| FOV (VxH) | 1/2" | 4.8x6.4mm |
| 1/3" | 3.6x4.8mm | |
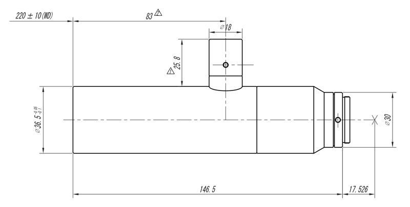
| WD | 220.0mm ±10 | |
| O/I (Object & Imager distance) | 384.0mm | |
| Working F/# | 10 | |
| NA | 0.05 | |
| Resolution *at λ550nm | 6.7μ | |
| DOF at PCoC φ0.04mm | 0.8mm | |
| TV distortion (max.) | 0.001 | |
| Relative illuminance(Y=4) | 0.9 | |
| Wavelength | Visible (400nm - 700nm) | |
| Camera mount | C-mount | |
| Flange back | 17.526mm | |
| Sensor size (max.) | 1/2" | |
| Co-axial prism | Built-in | |
| Weight (approx.) | 270g | |
| Dimension | φ36.5(MAX) x L=146.5mm |




