
Main > Product > Machine Vision Lenses >Telecentric Lens > VS-TC Series > VS-TC1.5-70CO
VS-TC1.5-70CO

- Compact size and light weight
- Wide range of WD from 40mm~340mm
- Variety of magnifications 0.5x~10x : 1.5x / 3.0x / 5.0x also available
- Built-in Co-axial models

| Model | VS-TC1.5-70CO | |
|---|---|---|
| Optical mag. | × 1.5 ±5% | |
| 2/3" | 4.4 x 5.9 mm | |
| FOV (VxH) | 1/2" | 3.2 x 4.3 mm |
| 1/3" | 2.4 x 3.2 mm | |
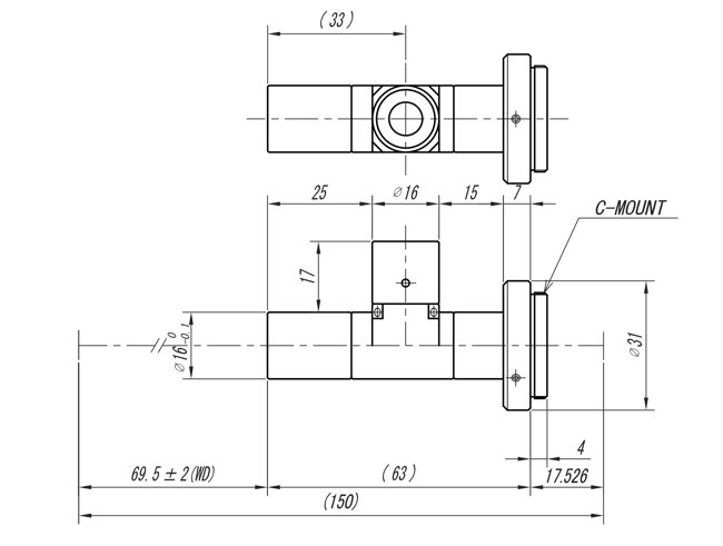
| WD | 69.5 mm ±2 | |
| O/I (Object & Imager distance) | 150 mm | |
| Working F/# | 15.6 | |
| NA | 0.048 | |
| Resolution *at λ550nm | 6.9 μ | |
| DOF at PCoC φ0.04mm | 0.6 mm | |
| TV distortion (max.) | 0.001 | |
| Relative illuminance(Y=4) | 0.9 | |
| Wavelength | Visible (400nm - 700nm) | |
| Camera mount | C-mount | |
| Flange back | 17.526 mm | |
| Sensor size (max.) | 2/3" | |
| Co-axial prism | Built-in | |
| Weight (approx.) | 41 g | |
| Dimension | Φ 31 (MAX) × L= 63.0 mm |




