
Main > Product > Machine Vision Lenses >Telecentric Lens > VS-TC Series > VS-TC1-65CO-16
VS-TC1-65CO-16

- Compact size and light weight
- Wide range of WD from 40mm~340mm
- Variety of magnifications 0.5x~10x : 1.5x / 3.0x / 5.0x also available
- Built-in Co-axial models

| Model | VS-TC1-65CO-16 | |
|---|---|---|
| Optical mag. | × 1.0 ±5% | |
| FOV (VxH) | 1/2" | 4.8 x 6.4 mm |
| 1/3" | 3.6 x 4.8 mm | |
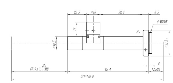
| WD | 65.9 mm ±2 | |
| O/I (Object & Imager distance) | 178.8 mm | |
| Working F/# | 14.2 | |
| NA | 0.035 | |
| Resolution *at λ550nm | 9.5 μ | |
| DOF at PCoC φ0.04mm | 1.1 mm | |
| TV distortion (max.) | 0.001 | |
| Relative illuminance(Y=4) | 0.9 | |
| Wavelength | Visible (400nm - 700nm) | |
| Camera mount | C-mount | |
| Flange back | 17.526 mm | |
| Sensor size (max.) | 1/2" | |
| Co-axial prism | Built-in | |
| Weight (approx.) | 68 g | |
| Dimension | Φ 31 (MAX) × L=95.4 mm |




