
Main > Product > Machine Vision Lenses >Telecentric Lens > VS-TC Series > VS-TC2-40
VS-TC2-40

- Compact size and light weight
- Wide range of WD from 40mm~340mm
- Variety of magnifications 0.5x~10x : 1.5x / 3.0x / 5.0x also available
- Built-in Co-axial models ( model number : VS-TCxx-xxCO )

| Model | VS-TC2-40 |
|---|---|
| Optical Mag. | × 2.0 ±5% |
| FOV (VxH) for 1/2" | 2.4 × 3.2 mm |
| FOV (VxH) for 1/3" | 1.8 × 2.4 mm |
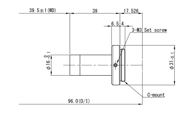
| WD | 39.5 mm ± 1 |
| O/I (Object & Imager Distance) | 96.0 mm |
| Working F/# | 15.03 |
| NA | 0.067 |
| DOF at PCoC φ0.04mm | 0.3 mm |
| Resolution *at λ550nm | 5.0 μ |
| TV distortion(1/2") | 0 |
| Relative illuminance(1/2") | 84.3 % |
| Wavelength | Visible (400nm - 700nm) |
| Camera Mount | C-mount |
| Flange Back | 17.526 mm |
| Sensor size (max.) | 1/2" |
| Co-axial prism | - |
| Weight (approx.) | g |
| Dimension | Φ 31 (MAX) × L= 39 mm |




