
Main > Product > Machine Vision Lenses >Telecentric Lens > VS-TC Series > VS-TC3-40CO-LD
VS-TC3-40CO-LD

- Compact size and light weight
- Wide range of WD from 40mm~340mm
- Variety of magnifications 0.5x~10x : 1.5x / 3.0x / 5.0x also available
- Built-in Co-axial models

| Model | VS-TC3-40CO-LD | |
|---|---|---|
| Optical Mag. | × 3.0 ± 5% | |
| FOV (VxH) | 1/2" | 1.6 × 2.1mm |
| 1/3" | 1.2 × 1.6mm | |
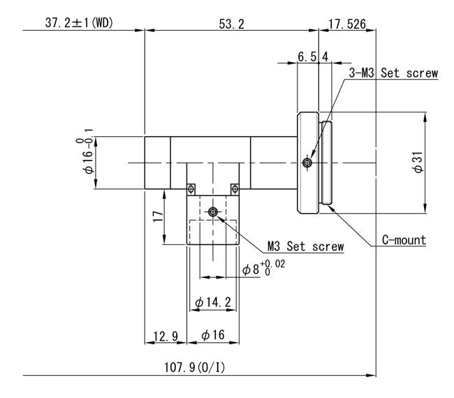
| WD | 37.2 mm ± 1 | |
| O/I (Object & Imager Distance) | 107.9 mm | |
| Working F/# | 23.52 | |
| NA | 0.064 | |
| Resolution *at λ550nm | 5.2μ | |
| DOF at PCoC φ0.04mm | 0.2 mm | |
| TV distortion (max.) | 0.00 % | |
| Relative illuminance(1/2") | 1 | |
| Wavelength | Visible (400nm - 700nm) | |
| Camera Mount | C-mount | |
| Flange Back | 17.526 mm | |
| Sensor size (max.) | 1/2" | |
| Co-axial prism | Built-in | |
| Weight (approx.) | g | |
| Dimension | Φ 31 (MAX) × L= 53.2mm |




