
Main > Product > Machine Vision Lenses >Telecentric Lens > VS-TC Series > VS-TC4-65CO
VS-TC4-65CO

- Compact size and light weight
- Wide range of WD from 40mm~340mm
- Variety of magnifications 0.5x~10x : 1.5x / 3.0x / 5.0x also available
- Built-in Co-axial models

| Model | VS-TC4-65CO | |
|---|---|---|
| Optical Mag. | x 4.0 ±5% | |
| FOV (VxH) | 2/3" | 1.6 x 2.2 mm |
| 1/2" | 1.2 x 1.6 mm | |
| 1/3" | 0.9 x 1.2 mm | |
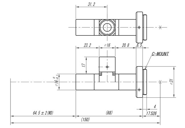
| WD | 64.5 mm ± 2 | |
| O/I (Object & Imager Distance) | 150.0 mm | |
| Working F/# | 29.1 | |
| NA | 0.069 | |
| Resolution *at λ550nm | 4.9 μ | |
| DOF at PCoC φ0.04mm | 0.15 mm | |
| TV distortion (max.) | -0.01 % | |
| Relative illuminance(Y=5.5) | 99.9 % | |
| Wavelength | Visible (400nm - 700nm) | |
| Camera Mount | C-mount | |
| Flange Back | 17.526 mm | |
| Sensor size (max.) | 2/3" | |
| Co-axial prism | Built-in | |
| Weight (approx.) | 46.2 g | |
| Dimension | Φ 31 (MAX) × L= 68.0 mm |




