
Main > Product > Machine Vision Lenses >Telecentric Lens > VS-TC Series > VS-TC6-110CO-LD
VS-TC6-110CO-LD

- Compact size and light weight
- Wide range of WD from 40mm~340mm
- Variety of magnifications 0.5x~10x : 1.5x / 3.0x / 5.0x also available
- Built-in Co-axial models

| Model | VS-TC6-110CO-LD | |
|---|---|---|
| Optical Mag. | ×6.0 ±5% | |
| 2/3" | 1.1x1.5 mm | |
| FOV (VxH) | 1/2" | 0.8x1.1 mm |
| 1/3" | 0.6x0.8 mm | |
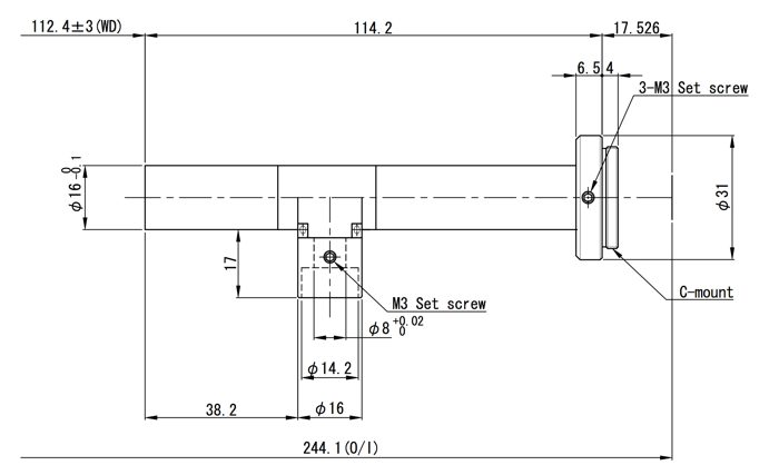
| WD | 112.4±3mm | |
| O/I (Object & Imager Distance) | 244.1 mm | |
| Working F/# | 67.3 | |
| NA | 0.045 | |
| Resolution *at λ550nm | 7.46μ | |
| DOF at PCoC φ0.04mm | 0.1mm | |
| TV distortion (max.) | 0.00 % | |
| Relative illuminance(Y=4) | 100.0 % | |
| Wavelength | Visible (400nm - 700nm) | |
| Camera Mount | C-mount | |
| Flange Back | 17.526 mm | |
| Sensor size (max.) | 2/3" | |
| Co-axial prism | Built-in | |
| Weight (approx.) | 68 g | |
| Dimension | Φ 31 (MAX) × L = 114.2mm |




