
Main > Product > Machine Vision Lenses >Telecentric Lens > VS-TC Series > VS-TC1.5-40CO
VS-TC1.5-40CO

- Compact size and light weight
- Wide range of WD from 40mm~340mm
- Variety of magnifications 0.5x~10x : 1.5x / 3.0x / 5.0x also available
- Built-in Co-axial models

| Model | VS-TC1.5-40CO | |
|---|---|---|
| Optical Mag. | × 1.5 ±5% | |
| 1/2" | 3.2 × 4.3 mm | |
| FOV (VxH) | ||
| 1/3" | 2.4 × 3.2 mm | |
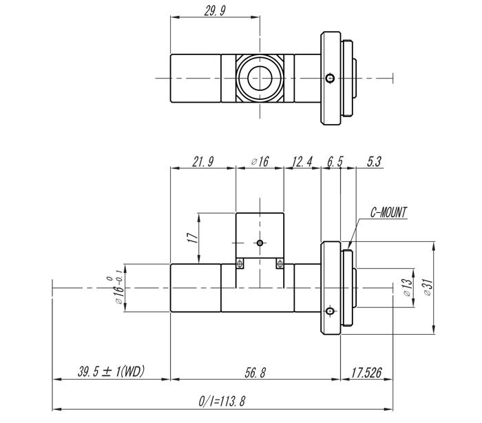
| WD | 39.3 mm ± 1 | |
| O/I (Object & Imager Distance) | 113.8 mm | |
| Working F/# | 1111 .1155 | |
| NA | 0.067 | |
| DOF at PCoC φ0.04mm | 0.4 mm | |
| Resolution *at λ550nm | 5.0μ | |
| TV distortion(1/2") | 0 | |
| Relative illuminance(1/2") | 69.0 % | |
| Wavelength | Visible (400nm - 700nm) | |
| Camera Mount | C-mount | |
| Flange Back | 17.526 mm | |
| Sensor size (max.) | 1/2" | |
| Co-axial prism | Built-in | |
| Weight (approx.) | g | |
| Dimension | Φ 31 (MAX) × L=57 mm |




