V2DR-Si70-LA1-HC220
Extremely bright light output are mounted with tilt

Main > Product > Machine Vision Lighting > Low Angle Ring Light LA1 Series > V2DR-Si70-LA1-HC220
Low Angle Ring Light V2DR-Si70-LA1-HC220

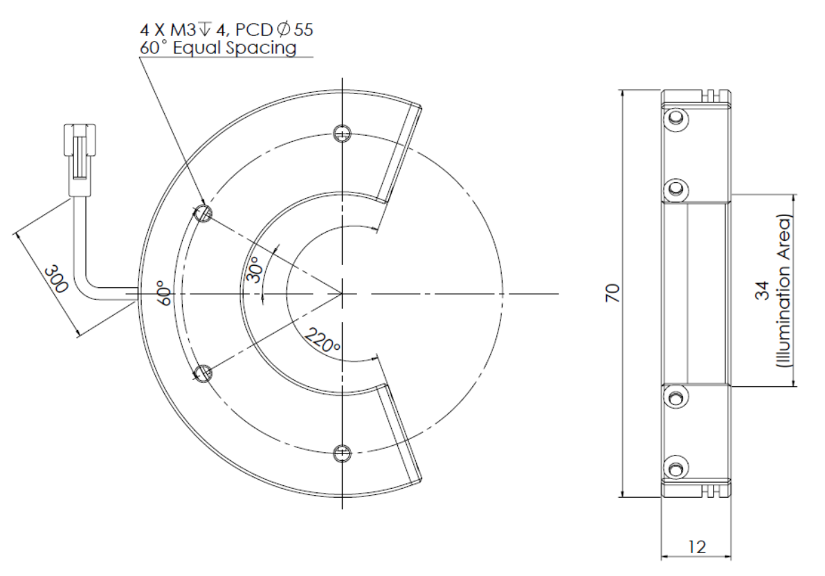
V2DR-Si70-LA1-HC220 is a Half Circle Low Angle Ring Light with surface mount LEDs designed for machine vision application. It has a lighting diameter of 70.0mm, and an illumination area of 34 mm in diameter. It comes in 3 spectrum, Blue, Green and White.






Ordering Information
Models with Resistors : V2DR-Si70-LA1-HC220-G/B/W
Models without Resistors : V2DR-Si70-LA1-HC220-G/B/W-O
Example : Model for Blue version with no resistor : ” V2DR-Si70-LA1-HC220-O”, Model for Green version with resistor ” V2DR-Si70-LA1-HC220-G”
Main > Product > Machine Vision Lighting > Low Angle Ring Light LA1 Series > V2DR-Si70-LA1-HC220



