V2DR-Si75-LA1-HC180
Extremely bright light output are mounted with tilt

Main > Product > Machine Vision Lighting > Low Angle Ring Light LA1 Series > V2DR-Si75-LA1-HC180
Low Angle Ring Light V2DR-Si70-LA1-HC220

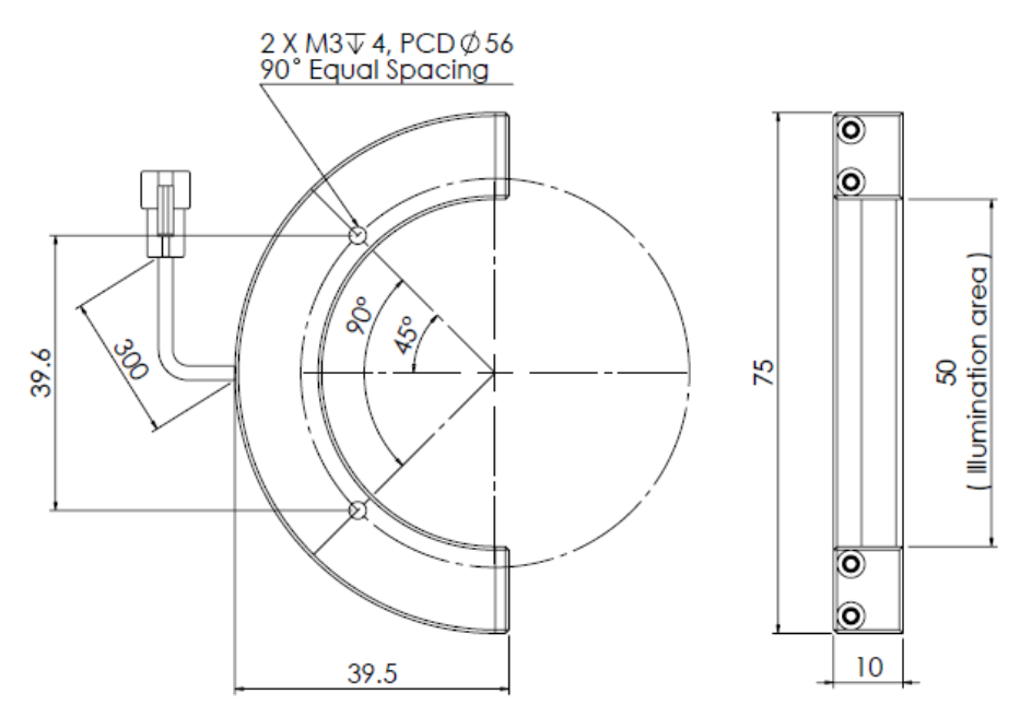
V2DR-Si75-LA1-HC180 is a Half Circle Low Angle Ring Light with surface mount LEDs designed for machine vision application. It has an Outer Diameter (OD) of 75mm, and an illumination area of 50 mm in diameter. It comes in 6 spectrum, IR, IR24,Red24, IR24, Blue, Green and White and NIR.






Ordering Information
Models with Resistors : V2DR-Si75-LA1-HC180-IR/R24/IR24/G/B/W-
Models without Resistors : V2DR-Si75-LA1-HC180-IR/R24/IR24/G/B/W-O
Example : Model for Blue version with no resistor : “V2DR-Si75-LA1-HC180-B-O”, Model for Green version with resistor “V2DR-Si75-LA1-HC180-G”
Main > Product > Machine Vision Lighting > Low Angle Ring Light LA1 Series > V2DR-Si75-LA1-HC180



