VS-TCM3-50CO
Bigger sensor and high resolution cameras with a full range of magnification models

Main > Product > Machine Vision Lenses >Telecentric Lens > VS-TCM Series > VS-TCM3-50CO
VS-TCM3-50CO

VS-TCM3-50CO is made to suit the larger 1.1″ sensor format of high-resolution cameras. With its high NA, these lenses are well suited for AOI, high-accuracy inspection, and measurement applications. The adjustable aperture allows the DOF and contrast to be set to your application’s needs.

| Model | VS-TCM3-50CO | |
|---|---|---|
| Optical mag. | ×3.0 ±5% | |
| 1" | 3.8 x 3.8 mm | |
| FOV (VxH) | 2/3" | 2.4 x 2.8 mm |
| 1/2" | 1.6 x 2.1 mm | |
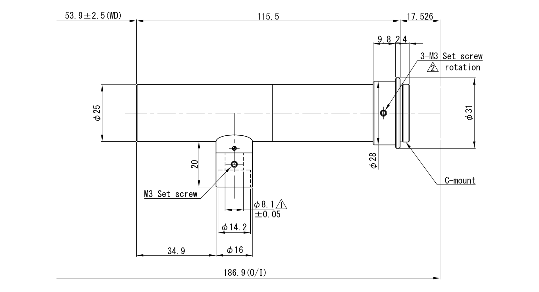
| WD | 53.9 mm ± 2.5 | |
| O/I (Object & Imager distance) | 186.9 mm | |
| Working F/# | 15 | |
| NA | 0.100 | |
| DOF at PCoC φ0.04mm | 0.1mm | |
| TV distortion (max.) | 0.32% | |
| Relative illuminance(Y=4) | 93 % | |
| Wavelength | Visible | |
| Camera mount | C-mount | |
| Flange back | 17.526 mm | |
| Image circle | Φ18.5mm | |
| Co-axial prism | Built In | |
| Weight (approx.) | 120g | |
| Dimension | Φ 731 (MAX) × L=115.5 mm |




