VS-TCM6-50CO
Bigger sensor and high resolution cameras with a full range of magnification models

Main > Product > Machine Vision Lenses >Telecentric Lens > VS-TCM Series > VS-TCM6-50CO
VS-TCM6-50CO

VS-TCM6-50CO is made to suit the larger 1.1″ sensor format of high-resolution cameras. With its high NA, these lenses are well suited for AOI, high-accuracy inspection, and measurement applications. The adjustable aperture allows the DOF and contrast to be set to your application’s needs.

| Model | VS-TCM6-50CO | |
|---|---|---|
| Optical mag. | ×6.0±5% | |
| 1" | 1.9 x 1.9 mm | |
| FOV (VxH) | 2/3" | 1.2 x 1.4 mm |
| 1/2" | 0.8 x 1.1 mm | |
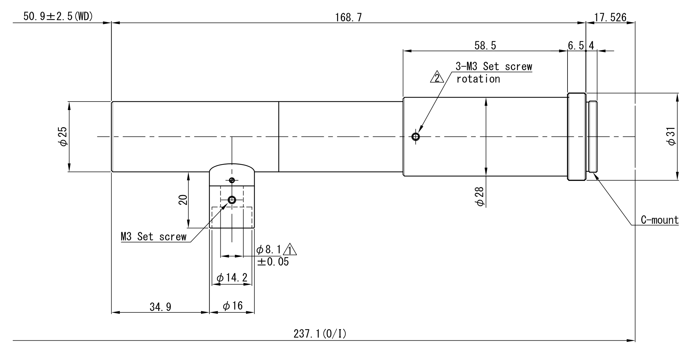
| WD | 50.9 ± 2.5 mm | |
| O/I (Object & Imager distance) | 237.1 mm | |
| Working F/# | 30.0 | |
| NA | 0.100 | |
| DOF at PCoC φ0.04mm | 0.07 mm | |
| TV distortion (max.) | 0.0% | |
| Relative illuminance(Y=4) | 90 % | |
| Wavelength | Visible | |
| Camera mount | C-mount | |
| Flange back | 17.526 mm | |
| Image circle | Φ22 mm | |
| Co-axial prism | Built-in | |
| Weight (approx.) | 155g | |
| Dimension | Φ 31 (MAX) × L=168.7 mm |




