VS-TCM7-50CO
Bigger sensor and high resolution cameras with a full range of magnification models

Main > Product > Machine Vision Lenses >Telecentric Lens > VS-TCM Series > VS-TCM7-50CO
VS-TCM7-50CO

VS-TCM7-50CO is made to suit the larger 1.1″ sensor format of high-resolution cameras. With its high NA, these lenses are well suited for AOI, high-accuracy inspection, and measurement applications. The adjustable aperture allows the DOF and contrast to be set to your application’s needs.

| Model | VS-TCM7-50CO | |
|---|---|---|
| Optical mag. | ×7.0 ±5% | |
| 1" | 1.6 x 1.6 mm | |
| FOV (VxH) | 2/3" | 1.0 x 1.2 mm |
| 1/2" | 0.7 x 0.9 mm | |
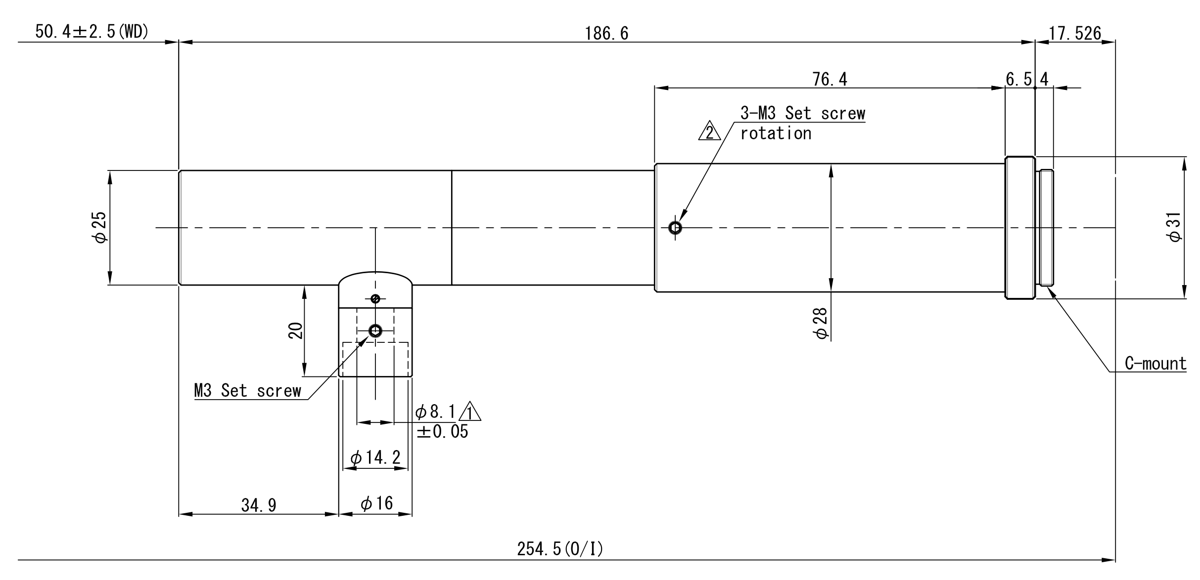
| WD | 50.4mm ± 2.5 | |
| O/I (Object & Imager distance) | 254.5 mm | |
| Working F/# | 35.0 | |
| NA | 0.100 | |
| DOF at PCoC φ0.04mm | 0.06mm | |
| TV distortion (max.) | 0 | |
| Relative illuminance(Y=4) | 90 % | |
| Wavelength | Visible | |
| Camera mount | C-mount | |
| Flange back | 17.526 mm | |
| Image circle | Φ22mm | |
| Co-axial prism | Built-In | |
| Weight (approx.) | 160 g | |
| Dimension | Φ 31 (MAX) × L=186.6 mm |




