
Main > Product > Machine Vision Lenses >Telecentric Lens > LQL Series > VS-TM10-55CO-LQL1
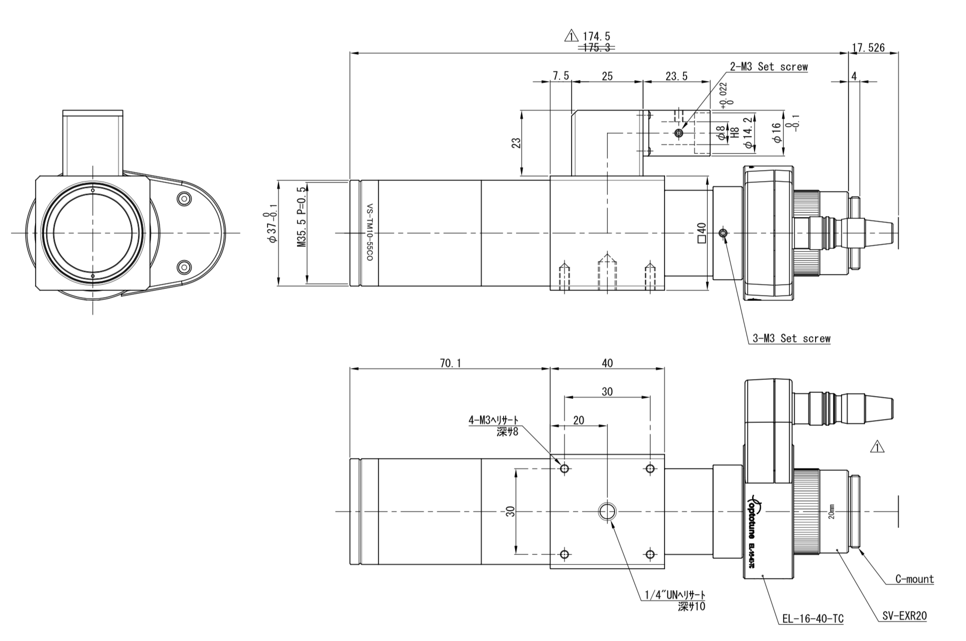
VS-TM10-55CO-LQL1

- Fast-focusing solution
- Focus adjustable within working distance range

| Model | VS-TM10-55CO-LQL1 + Liquid Lens + SV-EXR20 | ||
|---|---|---|---|
| Focus tunable lens (Optotune) | Model | EL-16-40-TC-VIS-5D-C | |
| Focal power | -2 dpt | +3 dpt | |
| Extension Tube | SV-EXR20 | ||
| Optical mag. | × 10.5 | × 9.5 | |
| FOV (VxH) | 2/3" | 0.7 x 0.8mm | 0.7 x 0.9mm |
| 1/2" | 0.5 x 0.6mm | 0.5 x 0.7mm | |
| 1/3" | 0.3 x 0.5mm | 0.4 x 0.5mm | |
| WD | 55.28 mm | 55.18 mm | |
| Optical Leverage | 0.02 mm/dpt | 0.02 mm/dpt | |
| O/I (Object & Imager distance) | 247.3 mm | 247.2 mm | |
| Working F/# | 23.2 | 21.4 | |
| NA | 0.226 | 0.222 | |
| DOF at PCoC φ0.04mm | 0.2 mm | 0.2 mm | |
| TV distortion (max.) | 0.01 % | 0.01 % | |
| Relative Illumination (Y=5.5) | 89 % | 89 % | |
| Wavelength | Visible | Visible | |
| Camera mount | C-mount | C-mount | |
| Flange back | 17.526mm | 17.526mm | |
| Sensor size (max.) | 2/3" | 2/3" | |
| Co-axial prism | Built-In | Built-In | |
| Filter Thread | M 35.5 P=0.5 | M 35.5 P=0.5 | |
| Weight (approx.) | - | - | |
| Dimension | φ37 (MAX) x L=174.5mm | φ37 (MAX) x L=174.5mm |




