Leading Distributor for Machine Vision Components and Technologies in SEA

Excelitas Linos APO-Rodagon D 0703-043-000-22

This is a high-performance lenses for large imaging sensors.

Linos Machine Vision Lenses Apo-Rodagon-D

Excelitas Linos APO-Rodagon D 0703-043-000-22

Linos Machine Vision Lenses Apo-Rodagon-D

The Excelitas Linos APO-Rodagon D 0703-043-000-22  is a high-performance lenses for large imaging sensors. The high resolution of the Apo-Rodagon-D lenses makes them an optimum solution for cameras with a pixel size down to 7 μm.

The high resolution is accompanied by ultra-low distortions and negligible color fringing. The lenses are optimized for a magnification range from 1:2 to 2:1. The 6-element, apochromatically corrected lenses feature high contrast and sharpness right up to the picture corners with practically no color fringes.

Distortion is corrected to near zero and cannot be seen even in critical subjects with straight-lined structures. The optimum working aperture is between f/5.6 and f/8. This is important because the effective aperture of a lens focused for a scale of about 1:1 is approximately two f-stops smaller than the nominal aperture and therefore stopping down to smaller apertures than nominal f/8 would result in visible blur due to diffraction.

All standard models are fitted with click-stop aperture rings. The metal version has a continuous iris with set screw.

Not only the Excelitas Linos APO-Rodagon D 0703-043-000-22, Vital Vision provides a wide range of machine vision products. There is more than 2000 products for your different machine vision solution. To know more details, please direct to our sales person today !

 

The Highlight Features

  • Specially designed for scanning applications and large imaging sensors
  • Optimized for 1:2 to 2:1 imaging
  • Large image circle up to 102 mm
  • Focal length: 75, 120 mm
  • Magnification range: -0.33 … -3.0
  • Spectral range: 400-750 nm
  • Iris diaphragm: manual, click-stop or continuous with set screw
  • Mount: M39x1/26″ (Leica)
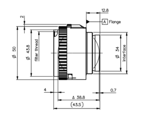
  • Filter thread: M40.5×0.5
  • Wide range of mechanical accessories
Vital Vision Pte Ltd logo 2022

Model0703-043-000-22
Image circle max. (mm)102
Focal length (mm)119.9
Magnification (range)-0.5 (-0.8 ... -0.33)
Spectral range (nm)400 - 750
Working distance (mm)242 - 456
InterfaceM39 x 1/26" (Leica)
Filter ThreadM40.5 x 0.5
Weight (g)110

Area Scan Camera Finder

Camera Finder

Click to search now

Line Scan Camera Finder

linescan Finder round 220 pix

Click to search now

Machine Vision Lens Finder

Click to search now

Machine Vision Lighting Finder

Click to search now