Excelitas Linos APO-Rodagon N 0703-094-000-20
This is a measuring lenses for large imaging sensors.

Main > Product > Machine Vision Lenses > Linos Machine Vision Lenses > Apo-Rodagon-N > 0703-094-000-20
Excelitas Linos APO-Rodagon N 0703-094-000-20

The Excelitas Linos APO-Rodagon N 0703-094-000-20 is a measuring lenses feature the highest resolution, excellent contrast, minimum distortion and color neutrality. Apo- Rodagon-N Lenses produce crisp, sharp images to the extreme edges of the object.
The apochromatically corrected lens designed to meet the highest requirements in an especially broad magnification range. It corrected high-performance lenses of the Rodenstock Apo-Rodagon-N series guarantee perfect results which satisfy even the highest demands.
The correction of these excellent lenses with up to 8 elements was taken to the absolute limits and so ensures the full elimination of irritating visible color fringes on high-contrast structures. All monochromatic aberrations have also been greatly reduced to give this lens type its unsurpassed image reproduction performance.
The advantages are clearly visible in both color and black and white enlargements. The Apo-Rodagon-N is therefore the amateur’s and professional’s first choice whenever the very highest reproduction quality is required.
The optimal working aperture is reached by stopping down by only 1 to 2 stops. For the use as a taking lens for close-up and macro photography in combination with the helical focuser Modular-Focus, available as an accessory, and suitable camera adapters for 35 mm SLR cameras as well as for use as a high resolution taking lens with CCD cameras, the same applies as to use of the Rodagon; however, the definition and the brilliance is still a little bit better.
Not only the Excelitas Linos APO-Rodagon N 0703-094-000-20, Vital Vision provides a wide range of machine vision products. There is more than 2000 products for your different machine vision solution. To know more details, please direct to our sales person today !
The Highlight Features
- Suitable for line-scan cameras and large imaging sensors
- Large image circle up to 100 mm
- High numerical aperture
- Adapter available for all common camera inter faces
- Focal length: 50 … 105 mm
- Magnification range: -0.05 … -0.5
- Spectral range: 400-750 nm
- Iris diaphragm: manual, click-stop or continuous with set screw
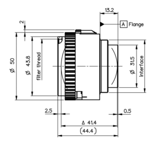
- Mount: M39x1/26″ (Leica)
- Filter thread: M40.5×0.5
- Wide range of mechanical accessories

| Model | 0703-094-000-20 |
|---|---|
| Image circle max. (mm) | 90 |
| Focal length (mm) | 90.1 |
| Magnification (range) | -0.1 (-0.5 ... -0.066) |
| Spectral range (nm) | 400 - 750 |
| Working distance (mm) | 241 - 1426 |
| Interface | M39 x 1/26" (Leica) |
| Filter Thread | M40.5 x 0.5 |
| Weight (g) | 120 |




