Excelitas Linos Inspec.x L float 0703-116-000-21
This can achieve high performance over an extremely wide magnification range from 0.3x to 3.0x and 0.06 to 0.52 respectively.

Main > Product > Machine Vision Lenses > Linos Machine Vision Lenses > Inspec.x L float > 0703-116-000-21
Excelitas Linos Inspec.x L float 0703-116-000-21

The Excelitas Linos Inspec.x L float 0703-116-000-21 was developed to fulfil the needs of high quality and high resolution systems. The Inspec.X L has been developed for line scan applications and has a very large image circle to cover the largest line scan sensors. Furthermore, with a high resolution smaller than 5 µm, it meets the highest specification requirements.
This series combine the field-proven imaging performance of the inspec.x L series with newly developed mechanics to cover a large magnification range with only one lens.
The inspec.x L 5.6/105 float lens combines the field- proven imaging performance of the inspec.x L 5.6/105 Series with newly developed mechanics to cover a large magnification range with only one lens.
By using floating element optics the inspec.x float lenses achieve high performance over an extremely wide magnification range from 0.3x to 3.0x and 0.06 to 0.52 respectiively. Full-metal housing makes the lens suitable for industrial use and geared rings facilitate the use in automated environments.
Not only the Excelitas Linos Inspec.x L float 0703-114-000-200, Vital Vision provides a wide range of machine vision products. There is more than 2000 products for your different machine vision solution. To know more details, please direct to our sales person today !
The Highlight Features
- Ideal for 12k and 16k sensors
- Geared rings for magnification and aperture
- Large image circle up to 82 mm
- Focal lengths: 105 mm and 122 mm
- Extreme magnification range of -0.3x … -3x or -0.06x … 0.52x
- Floating element optics
- Perfect match with 5 µm pixel size
- Working distance: 100-420 mm or 302-2037 mm
- Spectral range: 400-750 nm
- Distortion: < 0.4%

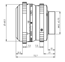
| Model | 0703-116-000-21 |
|---|---|
| Image circle max. (mm) | 82 |
| Focal length (mm) | 105.4 |
| Magnification (range) | -0.14 (-0.6 ... -0.52) |
| Spectral range (nm) | 400 - 750 |
| Working distance (mm) | 302.1 - 2037.3 |
| Interface | M42 x 0.75 |
| Filter Thread | M52 x 0.75 |
| Weight (g) | 570 |




