Excelitas Linos MeVis-CF 0020-010-000-20
This is a traffic lens series for daylight and NIR without refocusing.

Main > Product > Machine Vision Lenses > Linos Machine Vision Lenses > MeVis-CF > 0020-010-000-20
Excelitas Linos MeVis-CF 0020-010-000-20

Excelitas Linos MeVis-CF 0020-010-000-20 is a traffic lens series for daylight and NIR without refocusing.
Excelitas has created MeVis-CF lenses based on the MeVis-C series, which have the long-established optics in an even more compact housing to suit the most stringent requirements. The new Machine Vision Lenses MeVis-CF series introduces a new line of simple designed mechanics lenses to serve applications requiring the best possible imaging quality from a compact and robust lens package.
With this Excelitas Linos MeVis-CF 0020-010-000-20, now enables applications that require the highest image quality in a small, durable package. Their optical properties are identical to those of the well-known MeVis-C family. Furthermore, because the lens has a constant aperture, it takes up the least amount of space feasible while preventing operator error. These lenses are available in a variety of apertures, allowing for the creation of customer-specific versions with unique aperture shapes.
The fixed aperture, which improves durability, decreases size for compact installation, and offers a more cost-effective design, distinguishes the MeVis-C Series from the conventional MeVis-C Series. There are numerous versions of the lenses available, each with a different aperture.
Not only the Excelitas Linos MeVis-CF 0020-010-000-20, Vital Vision provides a wide range of machine vision products. There is more than 2000 products for your different machine vision solution. To know more details, please direct to our sales person today !
The Highlight Features
- Highest optical performance
- Fixed aperture
- Large image circle up to 1 inch
- For pixel size even below 2 µm
- High numerical aperture
- Compact and robust mechanics
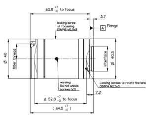
- Focal length: 16 … 50 mm
- Magnification range: 0…-0.1
- Spectral range: 450-900 nm
- Focusing: manual, lockable
- Iris diaphragm: fix

| Model | 0020-010-000-20/21/22 |
|---|---|
| Image circle max. (mm) | 16 |
| Focal length (mm) | 50.6 |
| Magnification (range) | -0.05 (-0.075 ... 0 ) |
| Spectral range (nm) | 450 - 950 |
| Working distance (mm) | 670 - ∞ |
| Interface | C- mount (light 1-32 UN 2A) |
| Filter Thread | M35.5 x 0.5 |
| Weight (g) | 190 |




