Excelitas Linos Rodagon-S 0801-397-000-40
This is a measuring lenses for large imaging sensors which offers optimal price and performance ratio.

Main > Product > Machine Vision Lenses > Linos Machine Vision Lenses > Rogonar-S > 0801-397-000-40
Excelitas Linos Rodagon-S 0801-397-000-40

The Excelitas Linos Rodagon-S 0801-397-000-40 is a versatile large-format lenses. Using a four-element, three-group optical design, this simple lens affords notable sharpness and consistent illumination when stopped down to the middle of the aperture range. Its recommended scale range of 2x to 10x is ideal for making mini enlargements up to standard-sized prints. Additionally, for ease of use, the lens is fitted with an illuminated f/stop scale, a convenient preset aperture setting, and a click-stop diaphragm that can be de-clicked depending on preference.
The Linos measuring lenses feature the highest resolution, excellent contrast, minimum distortion and color neutrality. They sharply reproduce images all the way to the very edges of the object. All Rodagon and Rogonar lenses also available in full metal housing.This is also one of the Inexpensive lens with good imaging performance available in market. It offers optimal price and performance ratio.
Not only the Excelitas Linos Rodagon-S 0801-397-000-40, Vital Vision provides a wide range of machine vision products. There is more than 2000 products for your different machine vision solution. To know more details, please direct to our sales person today !
The Highlight Features
- Suitable for line-scan cameras and large ima ging sensors
- Large image circle up to 82 mm
- High numerical aperture
- Adapter available for all common camera interfaces
- Focal length: 50 … 90 mm
- Magnification range: -0.08 … -0.5
- Spectral range: 400-750 nm
- Iris diaphragm: manual, click-stop
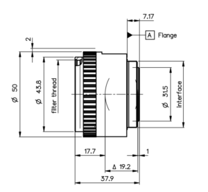
- Mount: M39x1/26″ (Leica)
- Filter thread: M40.5×0.5

| Model | 0801-397-000-40 |
|---|---|
| Image circle max. (mm) | 44.0 |
| Focal length (mm) | 51.1 |
| Magnification (range) | -0.1 (-0.4 ... -0.075) |
| Spectral range (nm) | 400 - 750 |
| Working distance (mm) | 153 - 707 |
| Interface | M39 x 1.26" (Leica) |
| Filter Thread | M40.5 x 0.5 |
| Weight (g) | 80 |




