Leading Distributor for Machine Vision Components and Technologies in SEA

Excelitas Mag.X System Accessories 4401-535-843-00

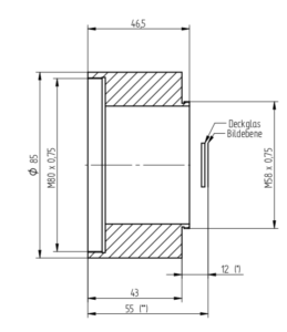
The accessory components connect mag.x System 125 with the system environment to form a complete inspection system.

Main  >  Product  >  Machine Vision Lenses   > Microscope Units >  Mag.X system > Accessories  > 4401-535-843-00

Excelitas Mag.X System Accessories 4401-535-843-00

Vital Vision Pte Ltd logo 2022

Area Scan Camera Finder

Camera Finder

Click to search now

Line Scan Camera Finder

linescan Finder round 220 pix

Click to search now

Machine Vision Lens Finder

Click to search now

Machine Vision Lighting Finder

Click to search now

Main  >  Product  >  Machine Vision Lenses   > Microscope Units >  Mag.X system > Accessories  > 4401-535-843-00