Excelitas Mag.X System Accessories G192-044-901
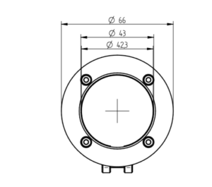
The accessory components connect mag.x System 125 with the system environment to form a complete inspection system.

Main > Product > Machine Vision Lenses > Microscope Units > Mag.X system > Accessories > G192-044-901
Excelitas Mag.X System Accessories G192-044-901





