Leading Distributor for Machine Vision Components and Technologies in SEA

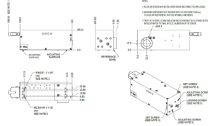
Excelitas Mag.X System Autofocus Modules 2421-004-364-00

Precise focusing in automated and industrial environments is essential for high resolutions.

Excelitas Mag.X System Autofocus Modules 2421-004-364-00

Vital Vision Pte Ltd logo 2022
Model2421-004-364-00
Wavelength785nm
ControllerWD1 -MCX
20-28 VDC;2.0Amps
InterfaceRS232
Weight0.25kg

Area Scan Camera Finder

Camera Finder

Click to search now

Line Scan Camera Finder

linescan Finder round 220 pix

Click to search now

Machine Vision Lens Finder

Click to search now

Machine Vision Lighting Finder

Click to search now