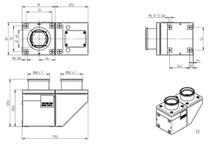
Excelitas Mag.X System Base Units G192-080-000
Five base units differ in that filter plug-in units are integrated and/or external components.

Main > Product > Machine Vision Lenses > Microscope Units > Mag.X system > Base Units > G192-080-000
Excelitas Mag.X System Base Units G192-080-000





