Leading Distributor for Machine Vision Components and Technologies in SEA

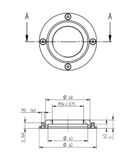
Excelitas Mag.X System Base Units G192-080-906

Five base units differ in that filter plug-in units are integrated and/or external components.

Excelitas Mag.X System Base Units G192-080-906

Vital Vision Pte Ltd logo 2022

Area Scan Camera Finder

Camera Finder

Click to search now

Line Scan Camera Finder

linescan Finder round 220 pix

Click to search now

Machine Vision Lens Finder

Click to search now

Machine Vision Lighting Finder

Click to search now