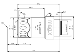
Excelitas Mag.X System Objective Lenses 4401-552-830-00
The optics is highly chromatically corrected in the spectral range of 430–700 nm.

Main > Product > Machine Vision Lenses > Microscope Units > Mag.X system > Objective Lenses > 4401-552-830-00
Excelitas Mag.X System Objective Lenses 4401-552-830-00


| Model | 4401-552-830-00 |
|---|---|
| Magn/Na | 5x /0.32 |
| WD(mm) | 23 |
| Focal length of the objective (um) | 31.3 |
| Depth of field at 546nm(um) | ± 2.7 |
| Cut off frequency in object space at 546nm ( lp/m) | 1172 |
| Wavelength Range (nm) | 430 - 700 |




