Excelitas Optem Fusion Camera Mounts 25-60-26-000
Various camera mounts are available

Main > Product > Machine Vision Lenses > Zoom Lenses > Optem FUSION Micro-Imaging System > Camera Mounts > 25-60-26-000
Excelitas Optem Fusion Camera Mounts 25-60-26-000

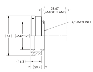
Excelitas Optem Fusion Camera Mounts 25-60-26-000 from Optem FUSION Micro-Imaging System mate fusion with various mount such as C, CS, F, EOS, 4/3-mount. Optem FUSION Micro-Imaging System is a lens system that combines an uniform mechanical interface with bi-directional infinity optics to deliver unmatched interchangeability, performance versatility, and functional flexibility across three distinct core optical functions. It is designed to meet the evolving needs of today’s micro imaging applications in OEM systems.
On the other side, they offer a compatible camera adapter allow the connection of different types of cameras too. A female T2 connector (M42 x 0.75) is provided to fit all Optem Fusion tube lenses.
Not only the Excelitas Optem Fusion Camera Mounts 25-60-26-000, Vital Vision provides a wide range of machine vision products. There is more than 2000 products for your different machine vision solution. To know more details, please direct to our sales person today !
The Highlight Features
- Common diameter through entire product line allows consistent mounting 1.625” (41.28 mm)
- Improved adjustment for parfocality and parcentricity
- Increased image sizes up to 43 mm diameter
- Large selection
- Quick attachment and orientation
- Same tube used with right angle configurations
- Robust design
- Custom designed lenses for utmost optical quality and performance
- Perfectly matched for all FUSION combinations
- Same camera tubes are used for fixed and zoom configurations
- Preserves the numerical aperture of the lower modules
- Provide larger FOVs due to use of larger format cameras
- Supplemental magnifications from 0.4x to 3x
- Focal lengths from 80 mm to 600 mm
- Mini tubes designed for minimum length
- Transmission over the entire visible range




