Excelitas Optem Fusion Camera Tubes 35-08-13-000
Adjustable camera tube to provide both par-focality and par-centricity to the image for best performance.

Main > Product > Machine Vision Lenses > Zoom Lenses > Optem FUSION Micro-Imaging System > Camera Tubes > 35-08-13-000
Excelitas Optem Fusion Camera Tubes 35-08-13-000

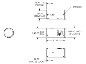
Excelitas Optem Fusion Camera Tubes 35-08-13-000 from Optem FUSION Micro-Imaging System modifies magnification to your camera optimizing chip coverage and performance. Also means Excelitas Optem Fusion Camera Tubes 35-08-13-000 provides the final magnification and image size for the optical system. They are adjustable to provide both par-focality and par-centricity to the image for best performance. They are centerable with set screws or thumbscrews. The selection of tubes allows the best match of the camera to meet the application.
The Highlight Features
- Common diameter through entire product line allows consistent mounting 1.625” (41.28 mm)
- Improved adjustment for parfocality and parcentricity
- Increased image sizes up to 43 mm diameter
- Large selection
- Quick attachment and orientation
- Same tube used with right angle configurations
- Robust design
- Custom designed lenses for utmost optical quality and performance
- Perfectly matched for all FUSION combinations
- Same camera tubes are used for fixed and zoom configurations
- Preserves the numerical aperture of the lower modules
- Provide larger FOVs due to use of larger format cameras
- Supplemental magnifications from 0.4x to 3x
- Focal lengths from 80 mm to 600 mm
- Mini tubes designed for minimum length
- Transmission over the entire visible range




