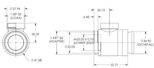
Excelitas Optem Fusion Lower Function Modules 35-04-00-000
Basic lowest cost mounting of the lower (taking) lens

Main > Product > Machine Vision Lenses > Zoom Lenses > Optem FUSION Micro-Imaging System > Lower Function Modules > 35-04-00-000
Excelitas Optem Fusion Lower Function Modules 35-04-00-000

Excelitas Optem Fusion Lower Function Modules 35-04-00-000 integrates internal focus—motorized or manual—and coaxial LED illumination options.
Optem® FUSION Micro-Imaging Lens System is the next generation of precision micro-imaging lens system. A modular design and infinity corrected optics afford maximum versatility in machine vision, automated optical inspection and non-contact metrology. Available in manual or motorized 7:1 and 12:1 zoom and economical fixed magnification, change out modules to modify system form, function and performance.
The vast selection of Lower Function Modules allows for the best solution to your needs. These modules are designed to allow integration of different lighting techniques, focus movement and lower lens options.
Not only the Excelitas Optem Fusion Lower Function Modules 35-04-00-000, Vital Vision provides a wide range of machine vision products. There is more than 2000 products for your different machine vision solution. To know more details, please direct to our sales person today !
The Highlight Features
- Basic lowest cost mounting of the lower (taking) lens
- Internal focus modules
- Coax illumination and coax with focus modules
- Motorized versions
- All modules accept every lower lens or objective as well as attachment of ring lights
- Either cube accessory module attachment
- Fluorescent cube holder for large field applications




