
Main > Product > Machine Vision Lenses > Large Format Lenses > VS-L (F) series > VS-L2526/F
VS-L2526/F

Introducing the VS-L2526/F, an exceptional addition to our Large Format / Line Scan Macro Lens collection. With a focal length of 25mm, this lens offers versatile imaging possibilities. It covers an optical magnification range from 0.025x to 0.12x, ensuring flexibility for various applications. Operating within a working aperture range of F/2.7 to F/2.9, it guarantees high-quality image capture. The VS-L1828/F boasts a substantial image circle of Φ29, promising distortion-free imaging that’s ideal for tasks demanding large format and line scan precision. Whether you’re engaged in industrial quality control, inspection, or other specialized imaging, this lens is your go-to choice for achieving exceptional results.

| Macro lens for large format | ||||
|---|---|---|---|---|
| Model | VS-L2526/F | |||
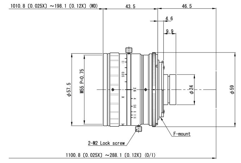
| Focal length(f) | 25mm (25.74) | |||
| Optical mag. range | (∞)×0.025~×0.12 | |||
| Optical mag. | ×0.025 | ×0.05 | ×0.1 | ×0.12 |
| WD | 1010.8mm | 496.6mm | 240.5mm | 198.1mm |
| O/I (Object & Imager distance) | 1100.8mm | 586.6mm | 330.5mm | 288.1mm |
| Aperture | 2.6~16 | |||
| Working F/# *Value at Iris open | 2.69 | 2.76 | 2.89 | 2.94 |
| DOF at PCoC φ0.04mm | 344.3mm | 88.3mm | 23.1mm | 16.3mm |
| TV distortion (max.) | -0.0055 | |||
| Operation of iris & focus | Manual (Lock screw M2) | |||
| Wavelength | Visible (400nm - 700nm) | |||
| Mount | F-mount | |||
| Flange back | 46.5mm | |||
| Image circle | φ29 | |||
| Filter thread | M55 P=0.75 | |||
| Weight (approx.) | g | |||
| Dimension | φ59(MAX) x L=43.5mm |
Main > Product > Machine Vision Lenses > Large Format Lenses > VS-L (F) series > VS-L2526/F




