
Main > Product > Machine Vision Lenses >Large Format Lenses > VS-L(V) Series > VS-L12035-075/V
VS-L12035-075/V

The VS-L(V) series is specially designed for large sensors up to 90mm in length with integrated vibration resistance. It also offers high resolution and high contrast for enhanced quality. Other than that, it has a large selection of various mount adapters. It is an exceptionally excellent choice for any line scan application.
Key Features:
- Up to 90mm sensors
- Up to 2K, 12K, & 16K
- Variable mounts
- Distortionless

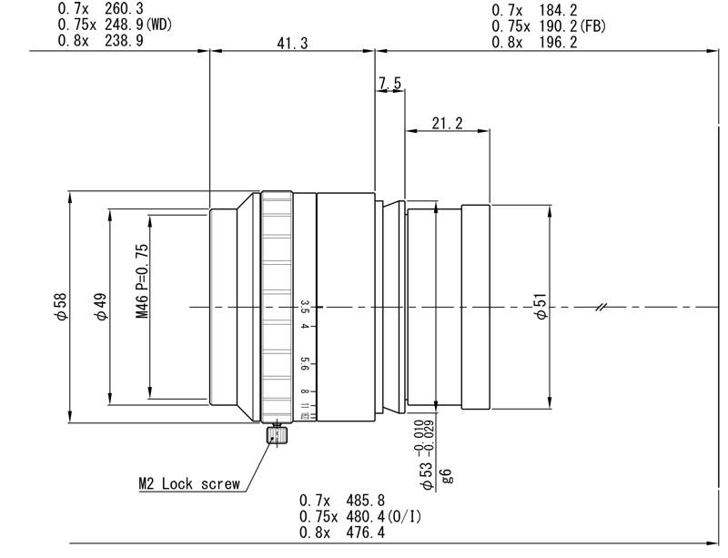
| Model | VS-L12035-075/V | ||
|---|---|---|---|
| Focal length(f) | 120.00 mm | ||
| Optical Mag. | X0.7 | X0.75 | X0.8 |
| WD | 260.3 mm | 248.9 mm | 238.9 mm |
| O/I (Object & Imager Distance) | 485.8 mm | 480.4 mm | 476.4 mm |
| Aperture | F3.5~F22 | ||
| WorkingF/# *value at Iris open | 6 | 6.1 | 6.3 |
| N.A. | 0.058 | 0.061 | 0.063 |
| DOF at PCoC φ0.04mm | 1.0 mm | 0.9 mm | 0.8 mm |
| Operation of iris | Manual | ||
| TV distortion (Y=45mm) | 0.0004 | 0.0001 | -0.0002 |
| Relative illuminance(Y=45mm) | 0.83 | 0.84 | 0.85 |
| Wavelength | Visible | ||
| Mount | V-mount | ||
| Flange Back | 184.2 mm | 190.2 mm | 196.2 mm |
| Image circle | φ 90 mm | ||
| Filter thread | M46 P=0.75 | ||
| Weight (approx.) | 350 g | ||
| Dimension | φ58 (max.) x L=41.3 mm |
Main > Product > Machine Vision Lenses >Large Format Lenses > VS-L(V) Series > VS-L12035-075/V




