
Main > Product > Machine Vision Lenses >Large Format Lenses > VS-L(V) Series >VS-L8540/V
VS-L8540/V

The VS-L(V) series is specially designed for large sensors up to 90mm in length with integrated vibration resistance. It also offers high resolution and high contrast for enhanced quality. Other than that, it has a large selection of various mount adapters. It is an exceptionally excellent choice for any line scan application.
Key Features:
- Up to 90mm sensors
- Up to 2K, 12K, & 16K
- Variable mounts
- Distortionless

| Macro lens for large format | |
|---|---|
| Model | VS-L8540/V |
| Focal length(f) | 84.03 mm |
| Optical mag. | × 0.28 |
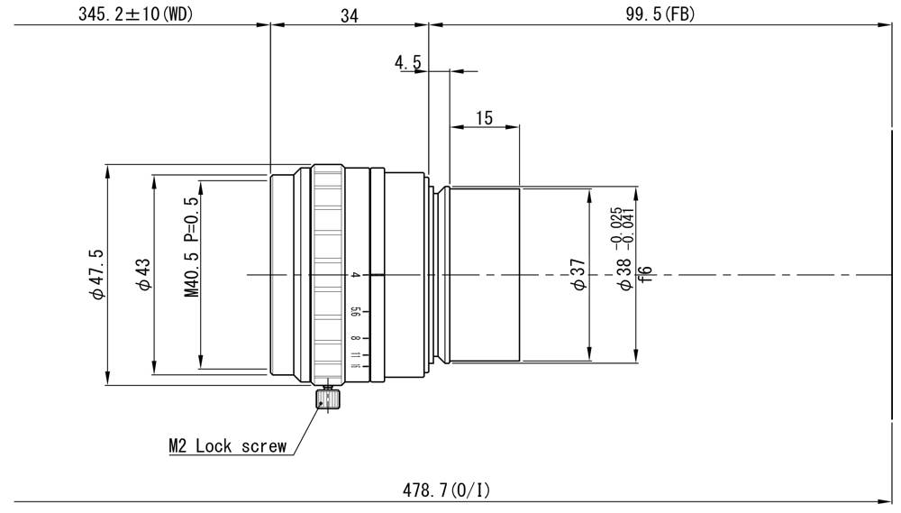
| WD | 345.2± 10 mm |
| O/I (Object & Imager distance) | 478.7 mm |
| Aperture | 4.0~16 |
| Working F/# *Value at Iris open | 5.11 |
| NA | 0.027 |
| Resolution *at λ550nm | 12.43 μ |
| DOF at PCoC φ0.04mm | 5.2 mm |
| TV distortion (Y=31) | 0 |
| Wavelength | Visible (400nm - 700nm) |
| Mount | V-mount |
| Flange back | 99.5 mm |
| Image circle | φ62mm |
| Weight (approx.) | g |
| Dimension | φ47.5(max) x L=34.0mm |
| Back focus | 81.50mm(in air) (×0.28時) |
| Field Thread | M40.5 P=0.5 |
| Front principle point | 36.94mm |
| FPP RPP distance | -13.01mm |
| Optical over all length | 49.98mm |
| Distortion (Y=31) | 0 |
| Relative illuminance(Y=31) | 73 % |
| Entrance Pupil | 31.8 |
| Exit Pupil | -31.2 |
Main > Product > Machine Vision Lenses >Large Format Lenses > VS-L(V) Series >VS-L8540/V




