
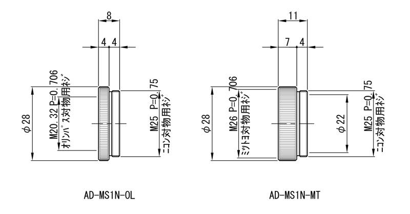
Main > Product > Machine Vision Lenses > Microscope Units >VS-MS Series > AD-MS1N-OLAD-MS1N-MT
AD-MS1N-OL AD-MS1N-MT

The Highlight Features
- High NA Objective lens
- Co-axial unit
- Infinity-corrected objective lens adapters
- High Contrast image
- Suitable for high precision alignment and inspection





