
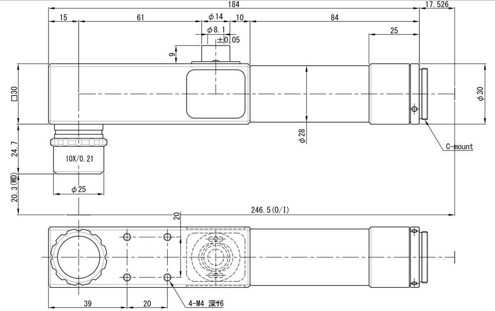
Main > Product > Machine Vision Lenses > Microscope Units >VS-MS Series >VS-MS10X-COL
VS-MS10X-COL

The Highlight Features
- High NA Objective lens
- Co-axial unit
- Infinity-corrected objective lens adapters
- High Contrast image
- Suitable for high precision alignment and inspection

| x10 Machine vision model | ||
|---|---|---|
| Model | VS-MS10X-COL | |
| Optical mag. | x10 | |
| 1/2" | 0.48×0.64mm | |
| FOV(V×H) | ||
| 1/3" | 0.36×0.48mm | |
| WD | 20.3mm | |
| Working F/# | 23.8 | |
| NA | 0.21 | |
| Resolution ※at λ550nm | 1.6 | |
| ※at PCoC φ0.04mm | 0.019mm | |
| DOF | ※at PCoC φ0.01mm | 0.004mm |
| Co-axial prism | Built-in | |
| Weight (approx.) | Approx.320g(Incl.10xobjective Lens) | |
| objective Lens | For f200mm Infinity - corrected Objective Lens | |
| Camera mount | 1/2" or smaller /C-Mount |




