VS-MC01303IR
Machine Vision design for visible and infrared wavelength

Main > Product > Machine Vision Lenses > Low Distortion Macro Lens > VS-UV Series >VS-MC01303IR
VS-MC01303IR

The VS-UV series were designed especially for varying wavelength spectrum. Applications utilizing IR are able to do see or omit certain aspects of the objects that are being inspected. The lenses in this lineup allow for just that, as well as being compact and low in distortion.

| Model | VS-MC01303IR | |||
|---|---|---|---|---|
| Optical mag.Range | ×0.13 ~ X0.3 | |||
| Optical mag. | x 0.13 | x 0.2 | x 0.3 | |
| 15.2x15.2 | 116.0x116.0mm | 76.0x76.0mm | 50.7x50.7mm | |
| 1.4" | 92.4x125.6mm | 60.5x82.3mm | 40.3x54.9mm | |
| FOV (VxH mm) | 2/3" | 50.4x67.2mm | 33.0x44.0mm | 22.0x29.3mm |
| 1/2" | 36.6x48.9mm | 24.0x32.0mm | 16.0x21.3mm | |
| Lens Length | 20.3mm | 23.1mm | 24.3mm | |
| WD | 176.3mm | 115.7mm | 78.2mm | |
| O/I (Object & Imager distance) | 214.1mm | 156.3mm | 120.0mm | |
| Working F/# | 4.00 | 4.20 | 4.60 | |
| NA | 0.016 | 0.024 | 0.033 | |
| Resolution | 20.4μ | 14μ | 10.2μ | |
| DOF at PCoC φ0.04mm | 18.7mm | 8.4mm | 4.1mm | |
| TV distortion | 0.10 % | |||
| Wavelength | Visible~Near-IR(400nm - 950nm) | |||
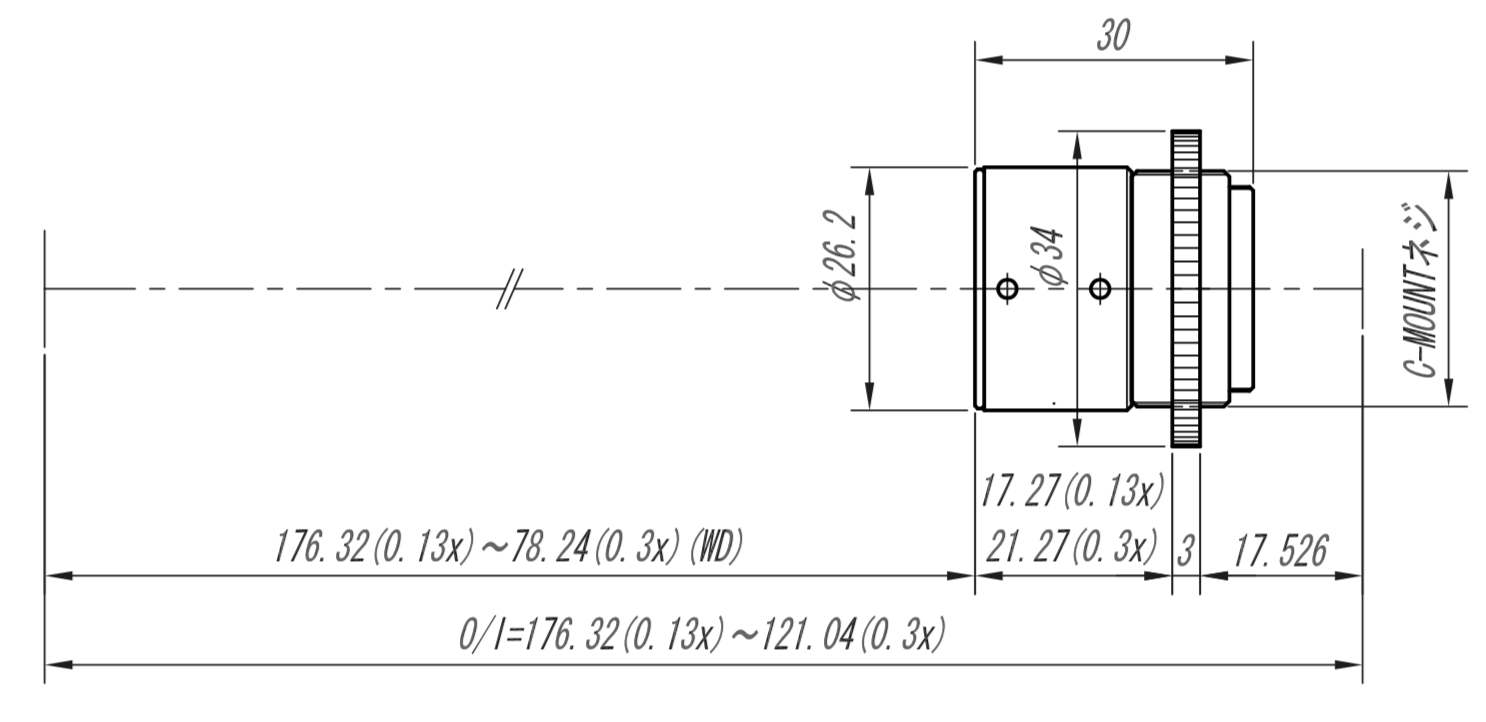
| Camera mount | C-mount | |||
| Flange Back | 17.526 mm | |||
| Sensor size (max.) | φ22 | |||
| Weight (approx.) | 40g | |||
| Dimension | φ34(MAX) | x L=20.3~24.3mm |




