
Main > Product > Machine Vision Lenses > Low Distortion Macro Lens > VS-MCA Series > VS-MCA15
VS-MCA15

The VS-MCA series is especially designed to stay in focus regardless of vibration or shock. With a fixed iris and a screw lock mechanism it is able to not only deliver a high quality image, but also maintain it though out the vision systems use.

| Model | VS-MCA15 | |||
|---|---|---|---|---|
| Focal Length | 15 mm | |||
| Maximum Aperture Ratio | 1: 2.0 | |||
| Optical mag. range | x 0.03 ~ × 0.3 | |||
| Optical mag. | x 0.03 | x 0.2 | x 0.3 | |
| 2/3" | 236.7 × 280.0 mm | 35.5 x 42.0 mm | 23.7 x 28.0 mm | |
| FOV (VxH mm) | 1/2" | 160.0 × 213.3 mm | 24.0 x 32.0 mm | 16.0 × 21.3 mm |
| 1/3" | 120.0 × 160.0 mm | 18.0 x 24.0 mm | 12.0 × 16.0 mm | |
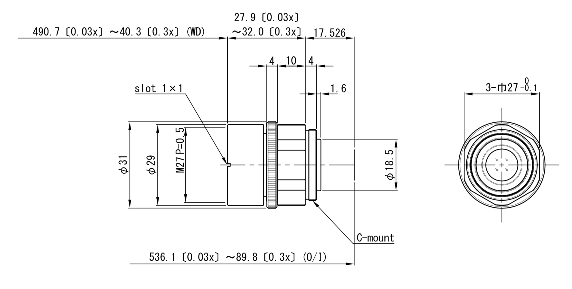
| WD | 490.7 mm | 65.4 mm | 40.3 mm | |
| O/I (Object & Imager distance) | 536.1 mm | 113.4 mm | 89.8 mm | |
| Aperture | 2 / 5.6 / 8 | 2 / 5.6 / 8 | 2 / 5.6 / 8 | |
| Working F/# *Value at Iris open | 2.1 / 5.8 / 8.2 | 2.4 / 6.7 / 9.6 | 2.6 / 7.3 / 10.4 | |
| TV distortion | -0.01 % | -0.13 % | -0.22 % | |
| Operation of Iris & Zoom | Manual | Manual | Manual | |
| Wavelength | Visible | Visible | Visible | |
| Camera mount | C-mount | |||
| Flange Back | 17.526 mm | |||
| Sensor size (max.) | 2/3" | |||
| Filter Thread | M 27 P= 0.5 | |||
| Weight (approx.) | 42g | |||
| Dimension | Φ 31 (MAX) × | L = 27.9 (X0.03) | ~ 32 (X0.3) mm |




