
Main > Product > Machine Vision Lenses > Low Distortion Macro Lens > VS-MCA Series > VS-MCA20
VS-MCA20

The VS-MCA series is especially designed to stay in focus regardless of vibration or shock. With a fixed iris and a screw lock mechanism it is able to not only deliver a high quality image, but also maintain it though out the vision systems use.

| Model | VS-MCA20 | |||
|---|---|---|---|---|
| Focal Length | 20 mm | |||
| Maximum Aperture Ratio | 1: 2.0 | |||
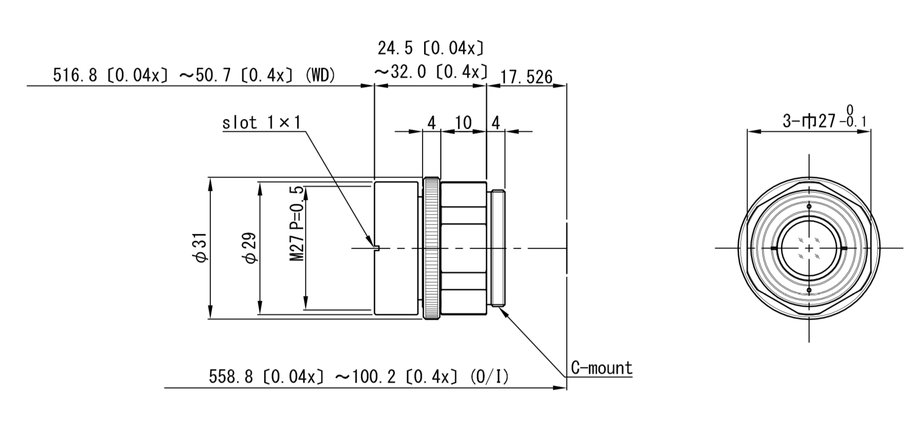
| Optical mag. range | x 0.04 ~ × 0.4 | |||
| Optical mag. | x 0.04 | x 0.25 | x 0.4 | |
| 2/3" | 177.5 × 210.0 mm | 28.4 × 33.6 mm | 17.8 × 21.0 mm | |
| FOV (VxH mm) | 1/2" | 120.0 × 160.0 mm | 19.2 × 25.6 mm | 12.0 × 16.0 mm |
| 1/3" | 90.0 × 120.0 mm | 14.4 × 19.2 mm | 9.0 × 12.0 mm | |
| WD | 516.8mm | 81.8 mm | 50.7mm | |
| O/I (Object & Imager distance) | 558.8mm | 128.2 mm | 100.2 mm | |
| Aperture | 2 / 5.6 / 8 | 2 / 5.6 / 8 | 2 / 5.6 / 8 | |
| Working F/# *Value at Iris open | 2.1 / 5.8 / 8.3 | 2.5 / 7.0 / 10.0 | 2.9 / 7.8 / 11.2 | |
| TV distortion | -0.01 % | -0.19 % | -0.25 % | |
| Operation of Iris & Zoom | Manual | Manual | Manual | |
| Wavelength | Visible | Visible | Visible | |
| Camera mount | C-mount | |||
| Flange Back | 17.526 mm | |||
| Sensor size (max.) | 2/3" | |||
| Filter Thread | M 27 P= 0.5 | |||
| Weight (approx.) | 36g | |||
| Dimension | Φ 31 (MAX) × | L = 24.5 (X0.04) | ~ 32.0 (X0.4) mm |




